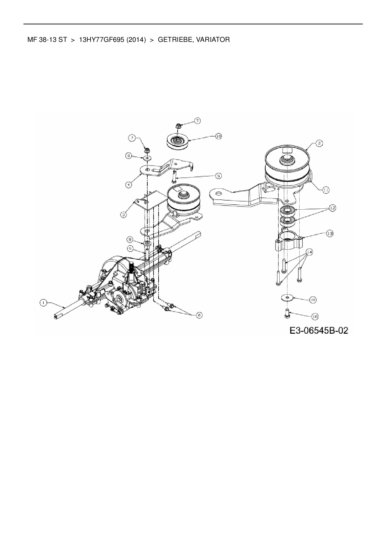
Getriebe, Variator

Zeichnung für Massey Ferguson Rasentraktor MF 38-13 ST mit der Geräte-Artikelnr. 13HY77GF695 ab Baujahr 2014:

Zeichnung Getriebe, Variator

Die Ersatzteil-Zeichnung für Rasentraktor Massey Ferguson MF 38-13 ST als Download:
Download Ersatzteil-Zeichnung Massey Ferguson MF 38-13 ST Zeichnung Getriebe, Variator (PDF-Format)
Download Ersatzteil-Zeichnung Massey Ferguson MF 38-13 ST Zeichnung Getriebe, Variator (JPG-Format)

Sollten Sie Fragen zu einem Ersatzteil haben, können Sie uns gerne eine E-Mail (mit einem Foto vom Typenschild Ihres Gerätes) schreiben oder eine Ersatzteilanfrage stellen.

Ersatzteile für Rasentraktor Massey Ferguson MF 38-13 ST aus der Zeichnung Getriebe, Variator:
Artikel 1 - 15 von 15

81,06 € *
Lieferzeit: 2 - 10 Werktage
81,06 € *
Lieferzeit: 2 - 10 Werktage
18,62 € *
Lieferzeit: 2 - 10 Werktage

Artikel 1 - 15 von 15