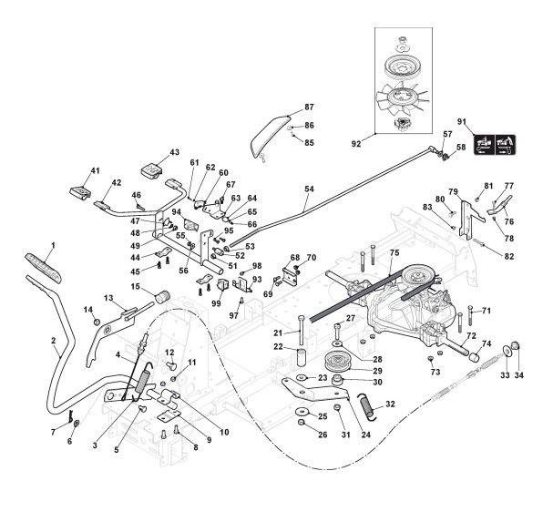
Getriebe T2 (1)

Zeichnungen von Stiga Aufsitzmäher COMBI 1066 HQ mit Geräte Nr. 2T0078281/14 ab Baujahr 2015

Zeichnung


Beachten Sie bitte, dass die Gerätebezeichnung Stiga Aufsitzmäher COMBI 1066 HQ, das Baujahr ab 2015 und die Geräte Nr. 2T0078281/14 lauten muss, denn nur so kann sichergestellt werden, dass das Ersatzteil passt.
Nur die hier aufgeführten Ersatzteile sind für dieses Gerät verfügbar. Alle anderen Ersatzteile sind nicht mehr lieferbar.
Ersatzteile von Stiga Aufsitzmäher COMBI 1066 HQ (Geräte-ID 2T0078281/14) ab 2015:
Artikel 1 - 48 von 48


Artikel 1 - 48 von 48