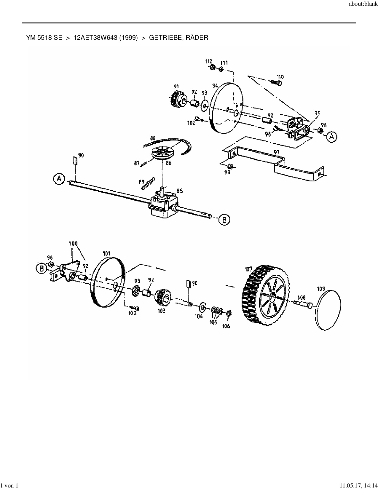
Getriebe, Räder

Zeichnung für Yard-Man Motormäher mit Antrieb YM 5518 SE mit der Geräte-Artikelnr. 12AET38W643 ab Baujahr 1999:

Zeichnung Getriebe, Räder

Die Ersatzteil-Zeichnung für Motormäher mit Antrieb Yard-Man YM 5518 SE als Download:
Download Ersatzteil-Zeichnung Yard-Man YM 5518 SE Zeichnung Getriebe, Räder (PDF-Format)
Download Ersatzteil-Zeichnung Yard-Man YM 5518 SE Zeichnung Getriebe, Räder (JPG-Format)

Sollten Sie Fragen zu einem Ersatzteil haben, können Sie uns gerne eine E-Mail (mit einem Foto vom Typenschild Ihres Gerätes) schreiben oder eine Ersatzteilanfrage stellen.

Ersatzteile für Motormäher mit Antrieb Yard-Man YM 5518 SE aus der Zeichnung Getriebe, Räder:
Artikel 1 - 20 von 25

25,36 € *
Lieferzeit: 2 - 10 Werktage
15,19 € *
Lieferzeit: 2 - 10 Werktage
29,95 € *
Lieferzeit: 2 - 10 Werktage
20,88 € *
Lieferzeit: 2 - 10 Werktage
25,94 € *
Lieferzeit: 2 - 10 Werktage

Artikel 1 - 20 von 25