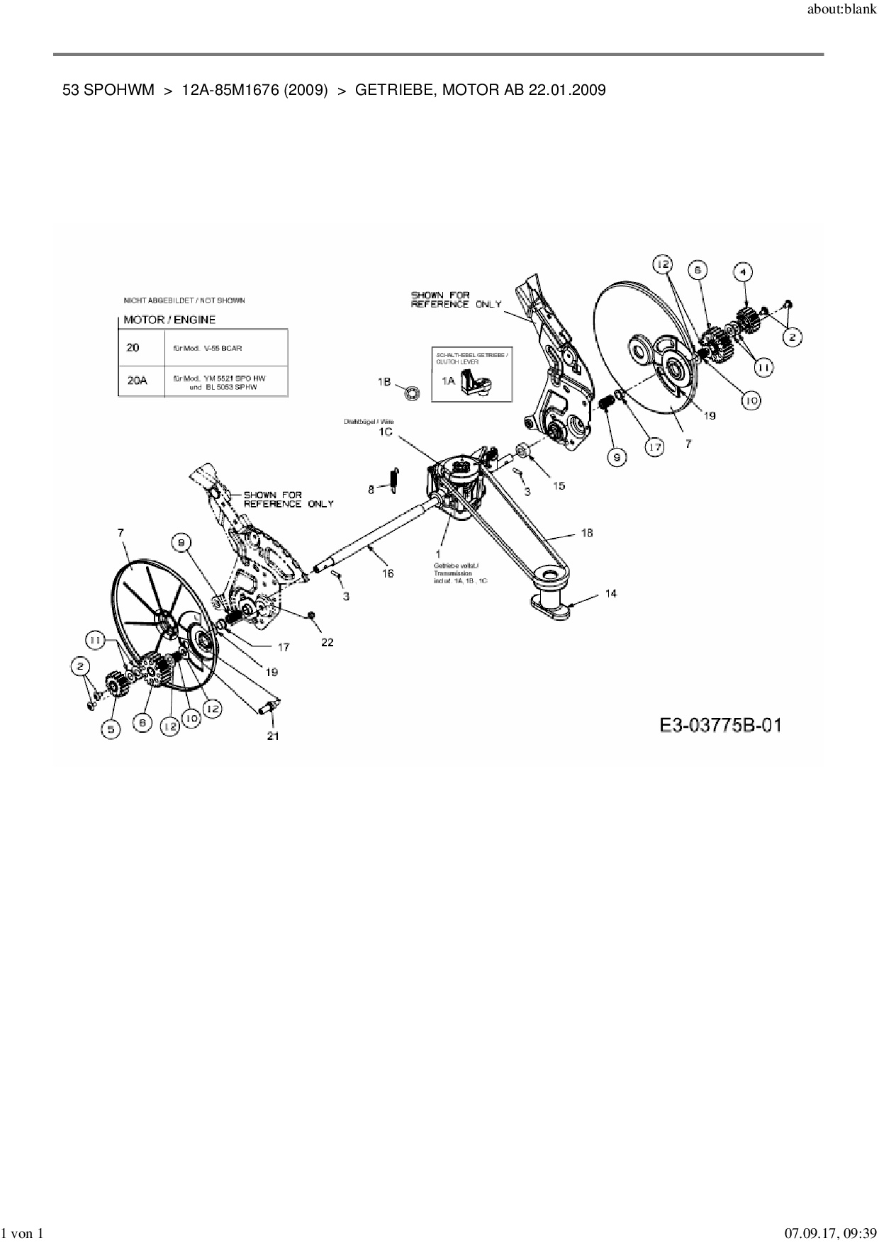
Getriebe, Motor ab 22.01.2009

Zeichnung für MTD Motormäher mit Antrieb 53 SPOHWM mit der Geräte-Artikelnr. 12A-85M1676 ab Baujahr 2009:

Zeichnung Getriebe, Motor ab 22.01.2009

Die Ersatzteil-Zeichnung für Motormäher mit Antrieb MTD 53 SPOHWM als Download:
Download Ersatzteil-Zeichnung MTD 53 SPOHWM Zeichnung Getriebe, Motor ab 22.01.2009 (PDF-Format)
Download Ersatzteil-Zeichnung MTD 53 SPOHWM Zeichnung Getriebe, Motor ab 22.01.2009 (JPG-Format)

Sollten Sie Fragen zu einem Ersatzteil haben, können Sie uns gerne eine E-Mail (mit einem Foto vom Typenschild Ihres Gerätes) schreiben oder eine Ersatzteilanfrage stellen.

Ersatzteile für Motormäher mit Antrieb MTD 53 SPOHWM aus der Zeichnung Getriebe, Motor ab 22.01.2009:
Artikel 1 - 10 von 22

12,38 € *
Lieferzeit: 2 - 10 Werktage
14,55 € *
Lieferzeit: 2 - 10 Werktage
6,88 € *
Lieferzeit: 2 - 10 Werktage
30,77 € *
Lieferzeit: 2 - 10 Werktage
46,08 € *
Lieferzeit: 2 - 10 Werktage
10,40 € *
Lieferzeit: 2 - 10 Werktage
6,88 € *
Lieferzeit: 2 - 10 Werktage

Artikel 1 - 10 von 22