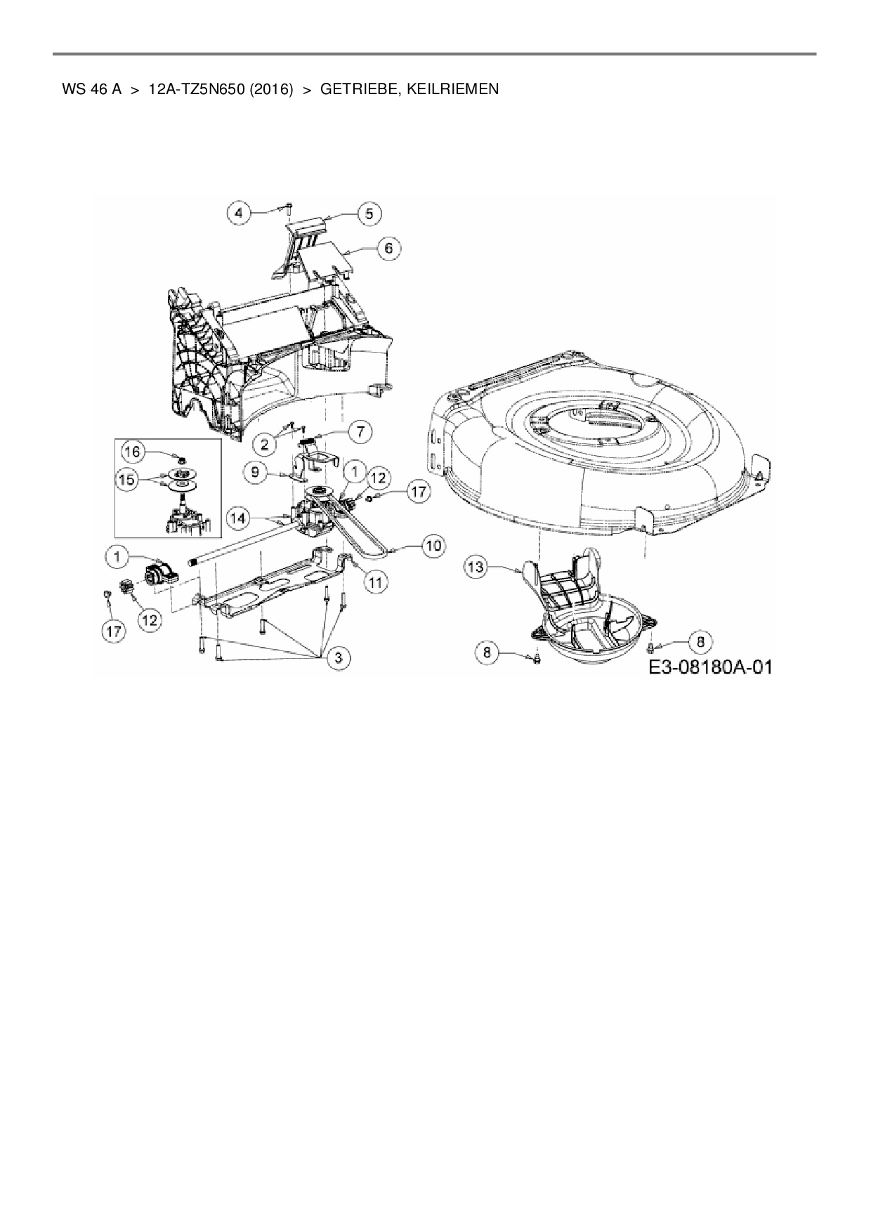
Getriebe, Keilriemen

Zeichnung für Wolf-Garten Motormäher mit Antrieb WS 46 A mit der Geräte-Artikelnr. 12A-TZ5N650 ab Baujahr 2016:

Zeichnung Getriebe, Keilriemen

Die Ersatzteil-Zeichnung für Motormäher mit Antrieb Wolf-Garten WS 46 A als Download:
Download Ersatzteil-Zeichnung Wolf-Garten WS 46 A Zeichnung Getriebe, Keilriemen (PDF-Format)
Download Ersatzteil-Zeichnung Wolf-Garten WS 46 A Zeichnung Getriebe, Keilriemen (JPG-Format)

Sollten Sie Fragen zu einem Ersatzteil haben, können Sie uns gerne eine E-Mail (mit einem Foto vom Typenschild Ihres Gerätes) schreiben oder eine Ersatzteilanfrage stellen.

Ersatzteile für Motormäher mit Antrieb Wolf-Garten WS 46 A aus der Zeichnung Getriebe, Keilriemen:
Artikel 1 - 16 von 16

9,13 € *
Lieferzeit: 2 - 10 Werktage
6,88 € *
Lieferzeit: 2 - 10 Werktage
5,88 € *
Lieferzeit: 2 - 10 Werktage
12,88 € *
Lieferzeit: 2 - 10 Werktage
5,88 € *
Lieferzeit: 2 - 10 Werktage

Artikel 1 - 16 von 16