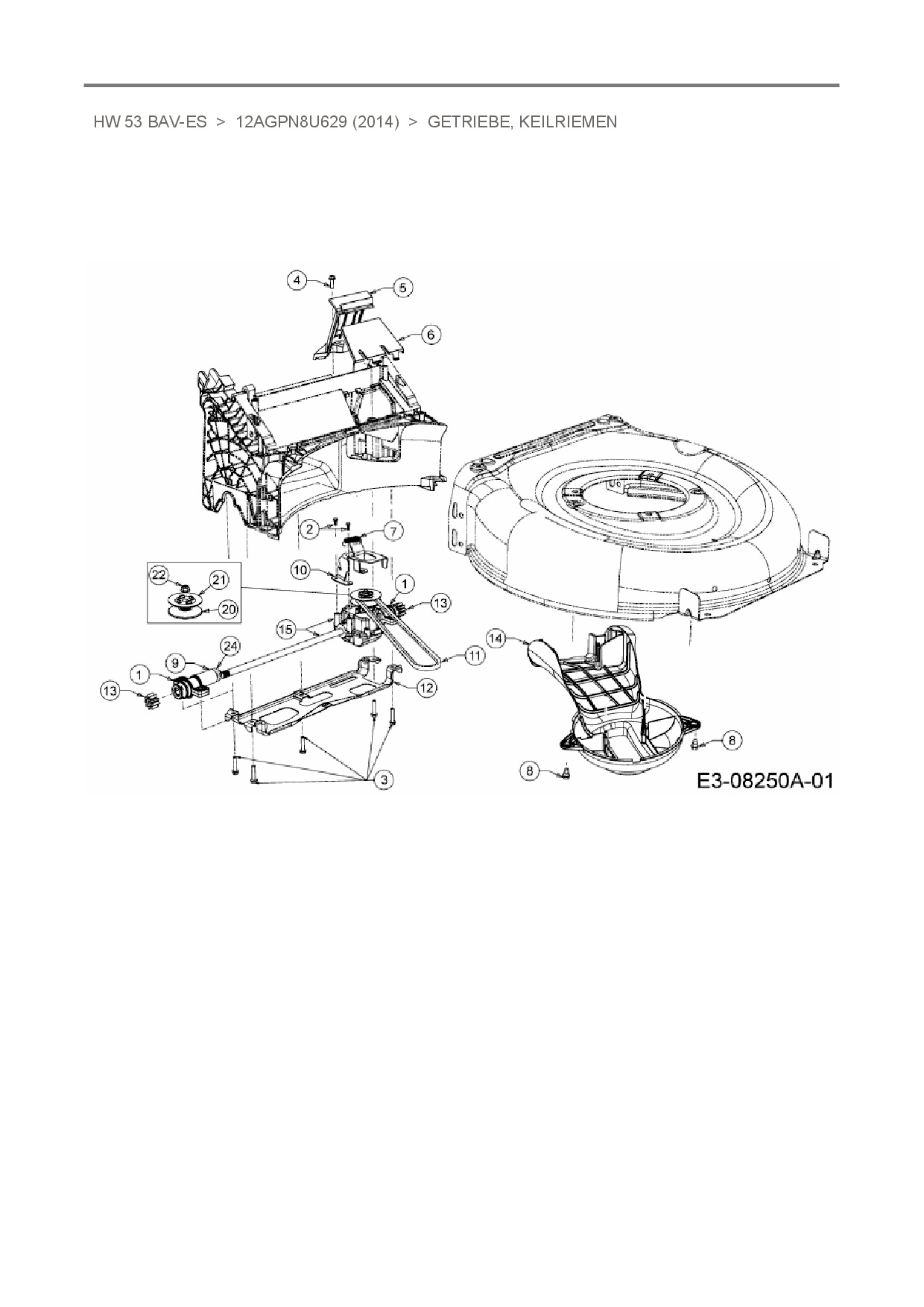
Getriebe, Keilriemen

Zeichnung für Mr. Gardener Motormäher mit Antrieb HW 53 BAV-ES mit der Geräte-Artikelnr. 12AGPN8U629 ab Baujahr 2014:

Zeichnung Getriebe, Keilriemen

Die Ersatzteil-Zeichnung für Motormäher mit Antrieb Mr. Gardener HW 53 BAV-ES als Download:
Download Ersatzteil-Zeichnung Mr. Gardener HW 53 BAV-ES Zeichnung Getriebe, Keilriemen (PDF-Format)
Download Ersatzteil-Zeichnung Mr. Gardener HW 53 BAV-ES Zeichnung Getriebe, Keilriemen (JPG-Format)

Sollten Sie Fragen zu einem Ersatzteil haben, können Sie uns gerne eine E-Mail (mit einem Foto vom Typenschild Ihres Gerätes) schreiben oder eine Ersatzteilanfrage stellen.

Ersatzteile für Motormäher mit Antrieb Mr. Gardener HW 53 BAV-ES aus der Zeichnung Getriebe, Keilriemen:
Artikel 1 - 18 von 18

9,13 € *
Lieferzeit: 2 - 10 Werktage

Artikel 1 - 18 von 18