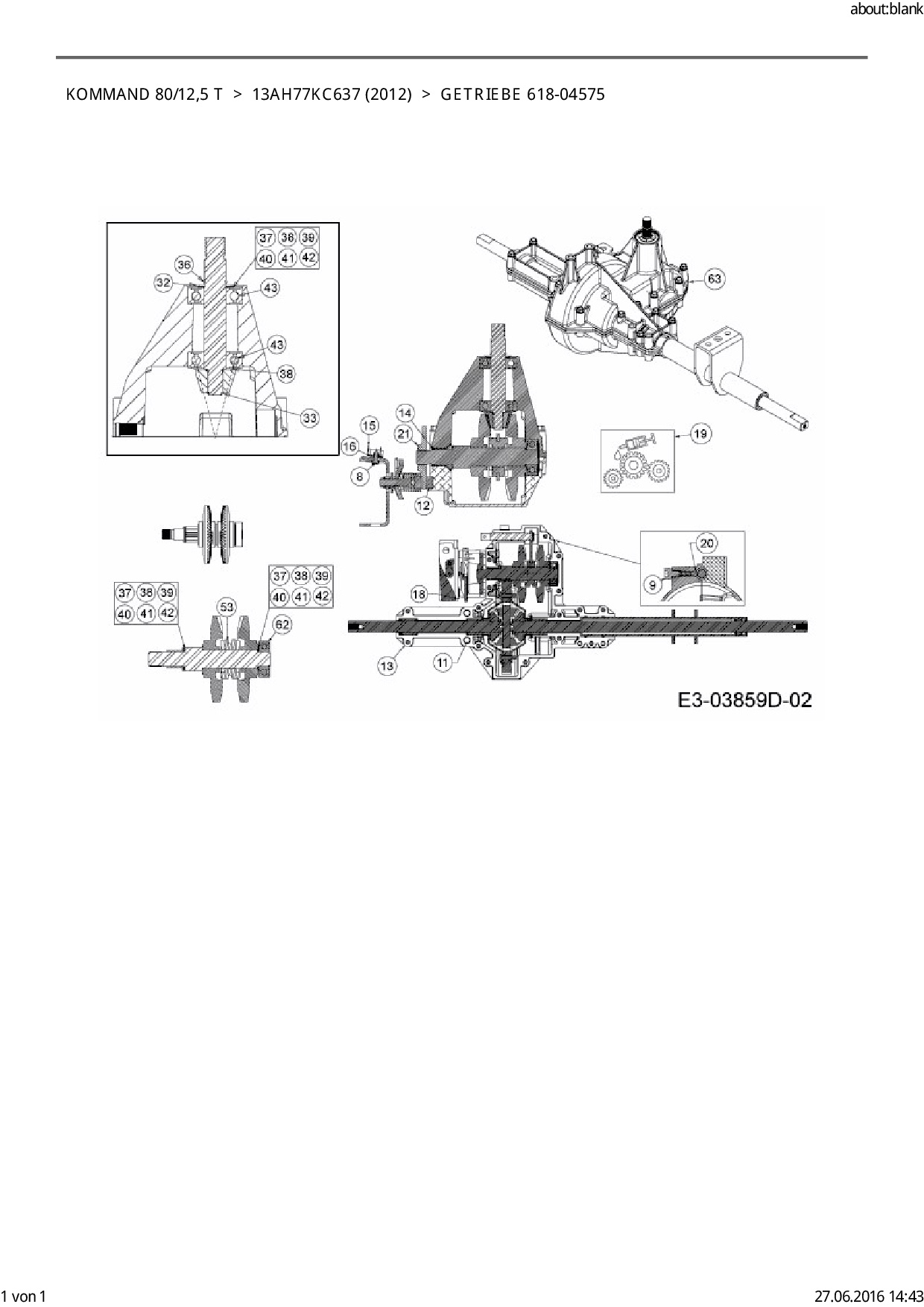
Getriebe 618-04575

Zeichnung für EFCO Rasentraktor Kommand 80/12,5 T mit der Geräte-Artikelnr. 13AH77KC637 ab Baujahr 2012:

Zeichnung Getriebe 618-04575

Die Ersatzteil-Zeichnung für Rasentraktor EFCO Kommand 80/12,5 T als Download:
Download Ersatzteil-Zeichnung EFCO Kommand 80/12,5 T Zeichnung Getriebe 618-04575 (PDF-Format)
Download Ersatzteil-Zeichnung EFCO Kommand 80/12,5 T Zeichnung Getriebe 618-04575 (JPG-Format)

Sollten Sie Fragen zu einem Ersatzteil haben, können Sie uns gerne eine E-Mail (mit einem Foto vom Typenschild Ihres Gerätes) schreiben oder eine Ersatzteilanfrage stellen.

Ersatzteile für Rasentraktor EFCO Kommand 80/12,5 T aus der Zeichnung Getriebe 618-04575:
Artikel 1 - 23 von 23

14,24 € *
Lieferzeit: 2 - 10 Werktage
17,90 € *
Lieferzeit: 2 - 10 Werktage
181,86 € *
Lieferzeit: 2 - 10 Werktage
7,88 € *
Lieferzeit: 2 - 10 Werktage
4,88 € *
Lieferzeit: 2 - 10 Werktage
6,88 € *
Lieferzeit: 2 - 10 Werktage
20,05 € *
Lieferzeit: 2 - 10 Werktage
5,88 € *
Lieferzeit: 2 - 10 Werktage
5,88 € *
Lieferzeit: 2 - 10 Werktage
4,88 € *
Lieferzeit: 2 - 10 Werktage
18,84 € *
Lieferzeit: 2 - 10 Werktage

Artikel 1 - 23 von 23