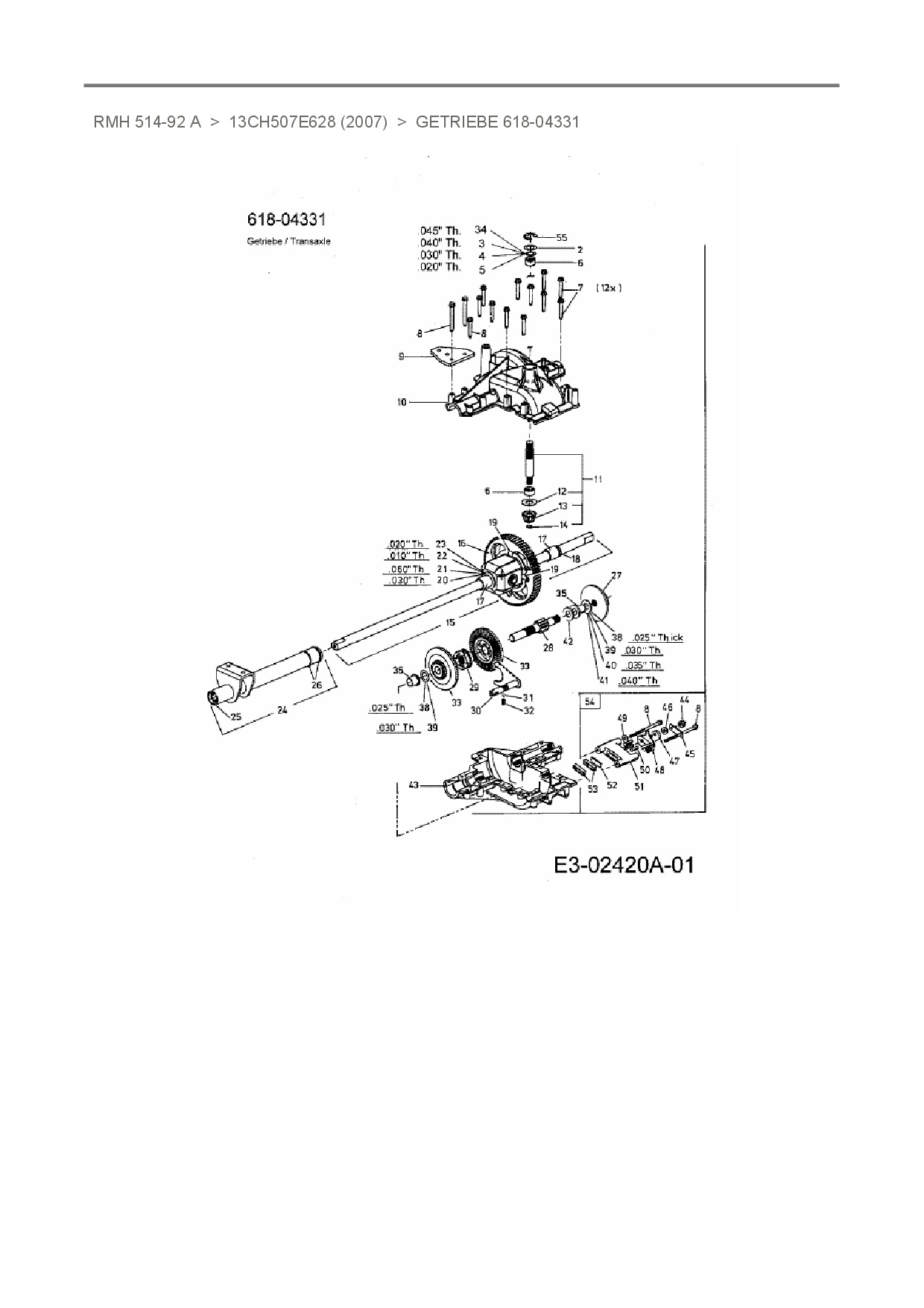
Getriebe 618-04331

Zeichnung für Raiffeisen Rasentraktor RMH 514-92 A mit der Geräte-Artikelnr. 13CH507E628 ab Baujahr 2007:

Zeichnung Getriebe 618-04331

Die Ersatzteil-Zeichnung für Rasentraktor Raiffeisen RMH 514-92 A als Download:
Download Ersatzteil-Zeichnung Raiffeisen RMH 514-92 A Zeichnung Getriebe 618-04331 (PDF-Format)
Download Ersatzteil-Zeichnung Raiffeisen RMH 514-92 A Zeichnung Getriebe 618-04331 (JPG-Format)

Sollten Sie Fragen zu einem Ersatzteil haben, können Sie uns gerne eine E-Mail (mit einem Foto vom Typenschild Ihres Gerätes) schreiben oder eine Ersatzteilanfrage stellen.

Ersatzteile für Rasentraktor Raiffeisen RMH 514-92 A aus der Zeichnung Getriebe 618-04331:
Artikel 1 - 10 von 51

670,14 € *
Lieferzeit: 2 - 10 Werktage
5,88 € *
Lieferzeit: 2 - 10 Werktage
12,88 € *
Lieferzeit: 2 - 10 Werktage
43,72 € *
Lieferzeit: 2 - 10 Werktage