Getriebe (2)

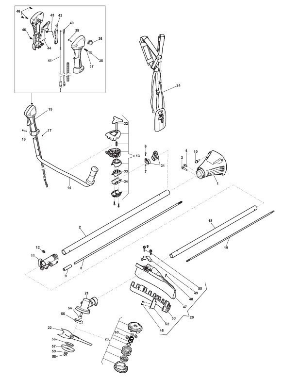
Zeichnungen von Stiga Rasentrimmer/Freischneider SBC 226 JD mit Geräte Nr. 287121102/ST1 ab Baujahr 2018

Zeichnung


Beachten Sie bitte, dass die Gerätebezeichnung Stiga Rasentrimmer/Freischneider SBC 226 JD, das Baujahr ab 2018 und die Geräte Nr. 287121102/ST1 lauten muss, denn nur so kann sichergestellt werden, dass das Ersatzteil passt.
Nur die hier aufgeführten Ersatzteile sind für dieses Gerät verfügbar. Alle anderen Ersatzteile sind nicht mehr lieferbar.
Ersatzteile von Stiga Rasentrimmer/Freischneider SBC 226 JD (Geräte ID 287121102/ST1) Baujahr ab Bj 2018:
Artikel 1 - 2 von 2


Artikel 1 - 2 von 2