Getriebe (2)

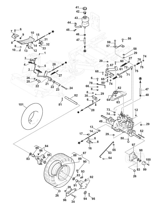
Zeichnung von Castelgarden Park Compact XK 140 HD (2F6220323/C16) ab 2018:

Klicken Sie auf diese Zeichnung

Sollten Sie Fragen zu einem Ersatzteil haben, können Sie uns gerne eine Ersatzteilanfrage stellen.

Hier finden Sie alle Ersatzteile von Castelgarden Park Compact XK 140 HD (2F6220323/C16) ab 2018 aus der Zeichnung Getriebe (2):
Artikel 1 - 20 von 41


Artikel 1 - 20 von 41