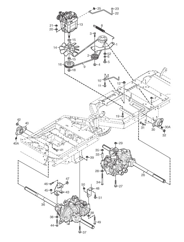
Getriebe (1)

Zeichnungen von Stiga Frontaufsitzmäher Park Pro mit Geräte Nr. 13-6244-44 ab Baujahr 2008

Zeichnung


Beachten Sie bitte, dass die Gerätebezeichnung Stiga Frontaufsitzmäher Park Pro, das Baujahr ab 2008 und die Geräte Nr. 13-6244-44 lauten muss, denn nur so kann sichergestellt werden, dass das Ersatzteil passt.
Nur die hier aufgeführten Ersatzteile sind für dieses Gerät verfügbar. Alle anderen Ersatzteile sind nicht mehr lieferbar.
Ersatzteile von Stiga Frontaufsitzmäher PARK PRO 20 4WD OVERSEAS (Geräte ID 13-6244-44) Baujahr ab Bj 2008:
Artikel 1 - 20 von 43


Artikel 1 - 20 von 43