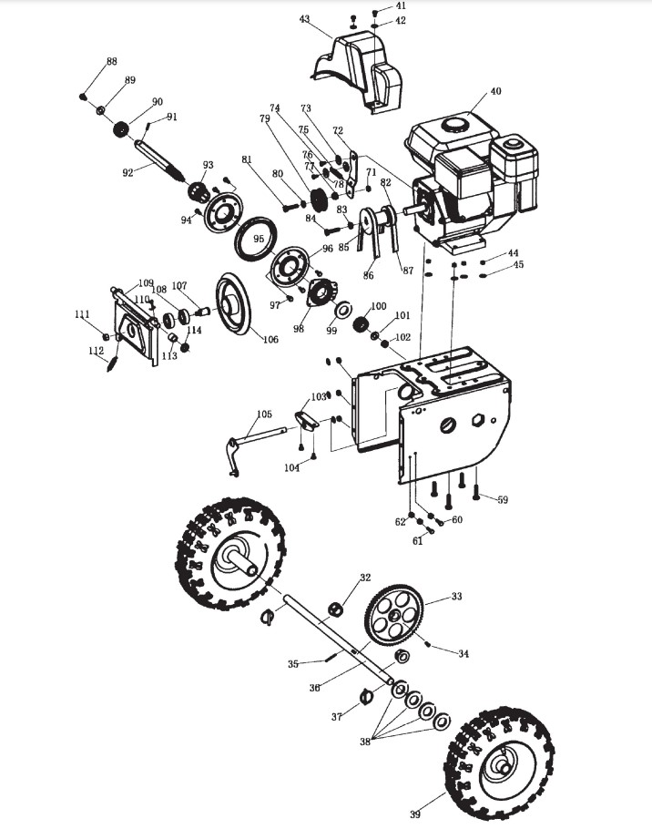
Getriebe (1)

Zeichnung von Castelgarden Zweistufige Benzin SNOW 55 (18-2810-97) ab 2007:

Klicken Sie auf diese Zeichnung

Sollten Sie Fragen zu einem Ersatzteil haben, können Sie uns gerne eine Ersatzteilanfrage stellen.

Hier finden Sie alle Ersatzteile von Castelgarden Zweistufige Benzin SNOW 55 (18-2810-97) ab 2007 aus der Zeichnung Getriebe (1):
Artikel 1 - 20 von 39


Artikel 1 - 20 von 39