Getriebe (1)

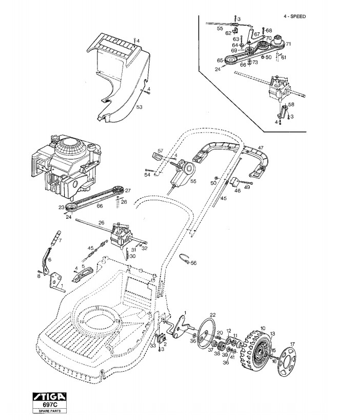
Zeichnung von Stiga Benzin-Rasenmäher ab 2000 Turbo 55SE 4-Speed (Geräte Nr 12-9489-15):

Klicken Sie auf diese Zeichnung

Sollten Sie Fragen zu einem Ersatzteil haben, können Sie uns gerne eine Ersatzteilanfrage stellen.

Hier finden Sie alle Ersatzteile von Stiga Benzin-Rasenmäher ab 2000 Turbo 55SE 4-Speed (Geräte Nr 12-9489-15) aus dem Zeichnungsblatt Getriebe (1):
Artikel 1 - 41 von 41


Artikel 1 - 41 von 41