Geschwindigkeitsregelung

Zeichnung für Mastercut Rasentraktor Mastercut 96 mit der Geräte-Artikelnr. 13CH761F659 ab Baujahr 2012:

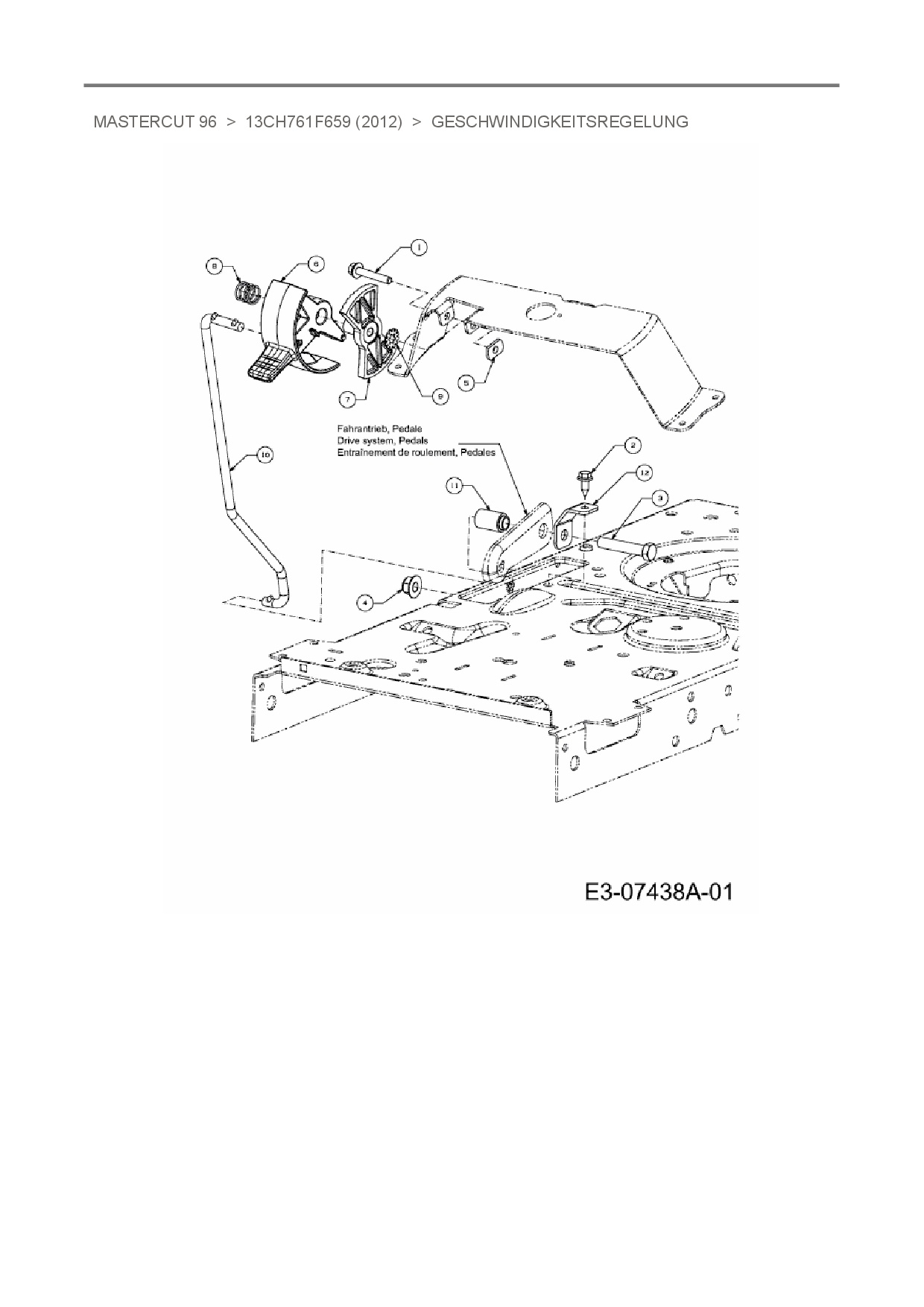
Zeichnung Geschwindigkeitsregelung

Die Ersatzteil-Zeichnung für Rasentraktor Mastercut Mastercut 96 als Download:
Download Ersatzteil-Zeichnung Mastercut Mastercut 96 Zeichnung Geschwindigkeitsregelung (PDF-Format)
Download Ersatzteil-Zeichnung Mastercut Mastercut 96 Zeichnung Geschwindigkeitsregelung (JPG-Format)

Sollten Sie Fragen zu einem Ersatzteil haben, können Sie uns gerne eine E-Mail (mit einem Foto vom Typenschild Ihres Gerätes) schreiben oder eine Ersatzteilanfrage stellen.

Ersatzteile für Rasentraktor Mastercut Mastercut 96 aus der Zeichnung Geschwindigkeitsregelung:
Artikel 1 - 12 von 12

5,88 € *
Lieferzeit: 2 - 10 Werktage
5,88 € *
Lieferzeit: 2 - 10 Werktage
13,28 € *
Lieferzeit: 2 - 10 Werktage
6,88 € *
Lieferzeit: 2 - 10 Werktage
5,88 € *
Lieferzeit: 2 - 10 Werktage
15,08 € *
Lieferzeit: 2 - 10 Werktage
14,22 € *
Lieferzeit: 2 - 10 Werktage

Artikel 1 - 12 von 12