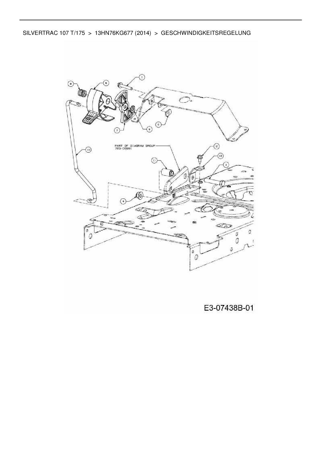
Geschwindigkeitsregelung

Zeichnung für Kts Rasentraktor Silvertrac 107 T/175 mit der Geräte-Artikelnr. 13HN76KG677 ab Baujahr 2014:

Zeichnung Geschwindigkeitsregelung

Die Ersatzteil-Zeichnung für Rasentraktor Kts Silvertrac 107 T/175 als Download:
Download Ersatzteil-Zeichnung Kts Silvertrac 107 T/175 Zeichnung Geschwindigkeitsregelung (PDF-Format)
Download Ersatzteil-Zeichnung Kts Silvertrac 107 T/175 Zeichnung Geschwindigkeitsregelung (JPG-Format)

Sollten Sie Fragen zu einem Ersatzteil haben, können Sie uns gerne eine E-Mail (mit einem Foto vom Typenschild Ihres Gerätes) schreiben oder eine Ersatzteilanfrage stellen.

Ersatzteile für Rasentraktor Kts Silvertrac 107 T/175 aus der Zeichnung Geschwindigkeitsregelung:
Artikel 1 - 10 von 12


Artikel 1 - 10 von 12