Geschwindigkeitsregelung

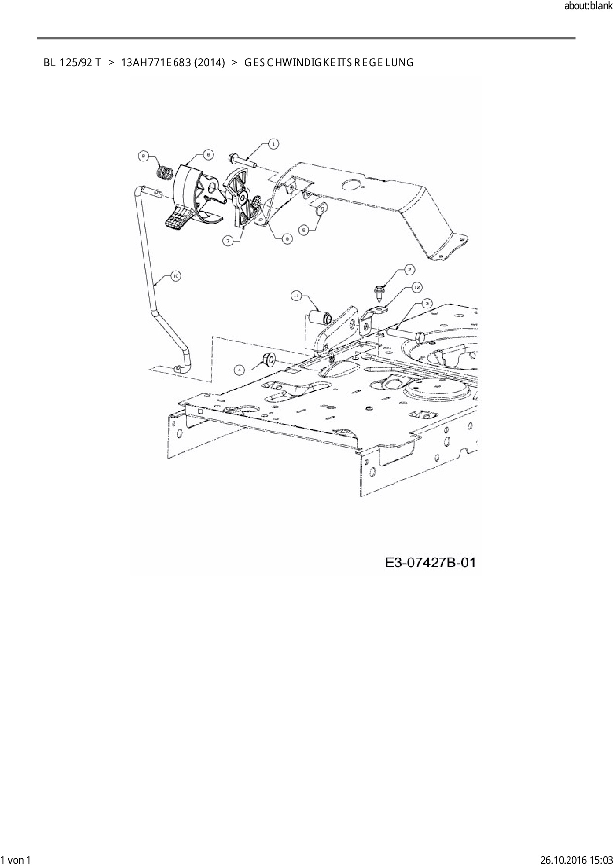
Zeichnung für Black-Line Rasentraktor BL 125/92 T mit der Geräte-Artikelnr. 13AH771E683 ab Baujahr 2014:

Zeichnung Geschwindigkeitsregelung

Die Ersatzteil-Zeichnung für Rasentraktor Black-Line BL 125/92 T als Download:
Download Ersatzteil-Zeichnung Black-Line BL 125/92 T Zeichnung Geschwindigkeitsregelung (PDF-Format)
Download Ersatzteil-Zeichnung Black-Line BL 125/92 T Zeichnung Geschwindigkeitsregelung (JPG-Format)

Sollten Sie Fragen zu einem Ersatzteil haben, können Sie uns gerne eine E-Mail (mit einem Foto vom Typenschild Ihres Gerätes) schreiben oder eine Ersatzteilanfrage stellen.

Ersatzteile für Rasentraktor Black-Line BL 125/92 T aus der Zeichnung Geschwindigkeitsregelung:
Artikel 1 - 10 von 12

5,88 € *
Lieferzeit: 2 - 10 Werktage
5,88 € *
Lieferzeit: 2 - 10 Werktage
13,28 € *
Lieferzeit: 2 - 10 Werktage
6,88 € *
Lieferzeit: 2 - 10 Werktage
5,88 € *
Lieferzeit: 2 - 10 Werktage
15,08 € *
Lieferzeit: 2 - 10 Werktage

Artikel 1 - 10 von 12