Geschwindigkeitsregelung

Zeichnung für Blisar Rasentraktor GG 202 mit der Geräte-Artikelnr. 13HT763G607 ab Baujahr 2016:

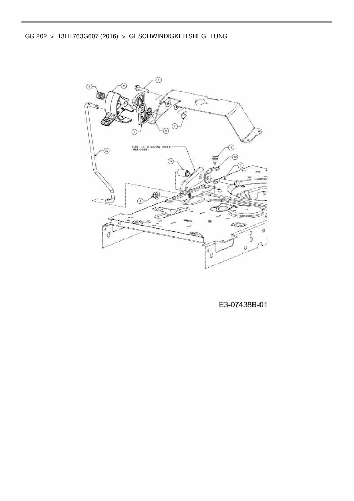
Zeichnung Geschwindigkeitsregelung

Die Ersatzteil-Zeichnung für Rasentraktor Blisar GG 202 als Download:
Download Ersatzteil-Zeichnung Blisar GG 202 Zeichnung Geschwindigkeitsregelung (PDF-Format)
Download Ersatzteil-Zeichnung Blisar GG 202 Zeichnung Geschwindigkeitsregelung (JPG-Format)

Sollten Sie Fragen zu einem Ersatzteil haben, können Sie uns gerne eine E-Mail (mit einem Foto vom Typenschild Ihres Gerätes) schreiben oder eine Ersatzteilanfrage stellen.

Ersatzteile für Rasentraktor Blisar GG 202 aus der Zeichnung Geschwindigkeitsregelung:
Artikel 1 - 12 von 12

6,88 € *
Lieferzeit: 2 - 10 Werktage
5,88 € *
Lieferzeit: 2 - 10 Werktage
5,88 € *
Lieferzeit: 2 - 10 Werktage
5,88 € *
Lieferzeit: 2 - 10 Werktage
5,88 € *
Lieferzeit: 2 - 10 Werktage
13,28 € *
Lieferzeit: 2 - 10 Werktage
10,61 € *
Lieferzeit: 2 - 10 Werktage
6,88 € *
Lieferzeit: 2 - 10 Werktage
5,88 € *
Lieferzeit: 2 - 10 Werktage
15,08 € *
Lieferzeit: 2 - 10 Werktage
7,88 € *
Lieferzeit: 2 - 10 Werktage
14,22 € *
Lieferzeit: 2 - 10 Werktage

Artikel 1 - 12 von 12