Geschwindigkeitsregelung

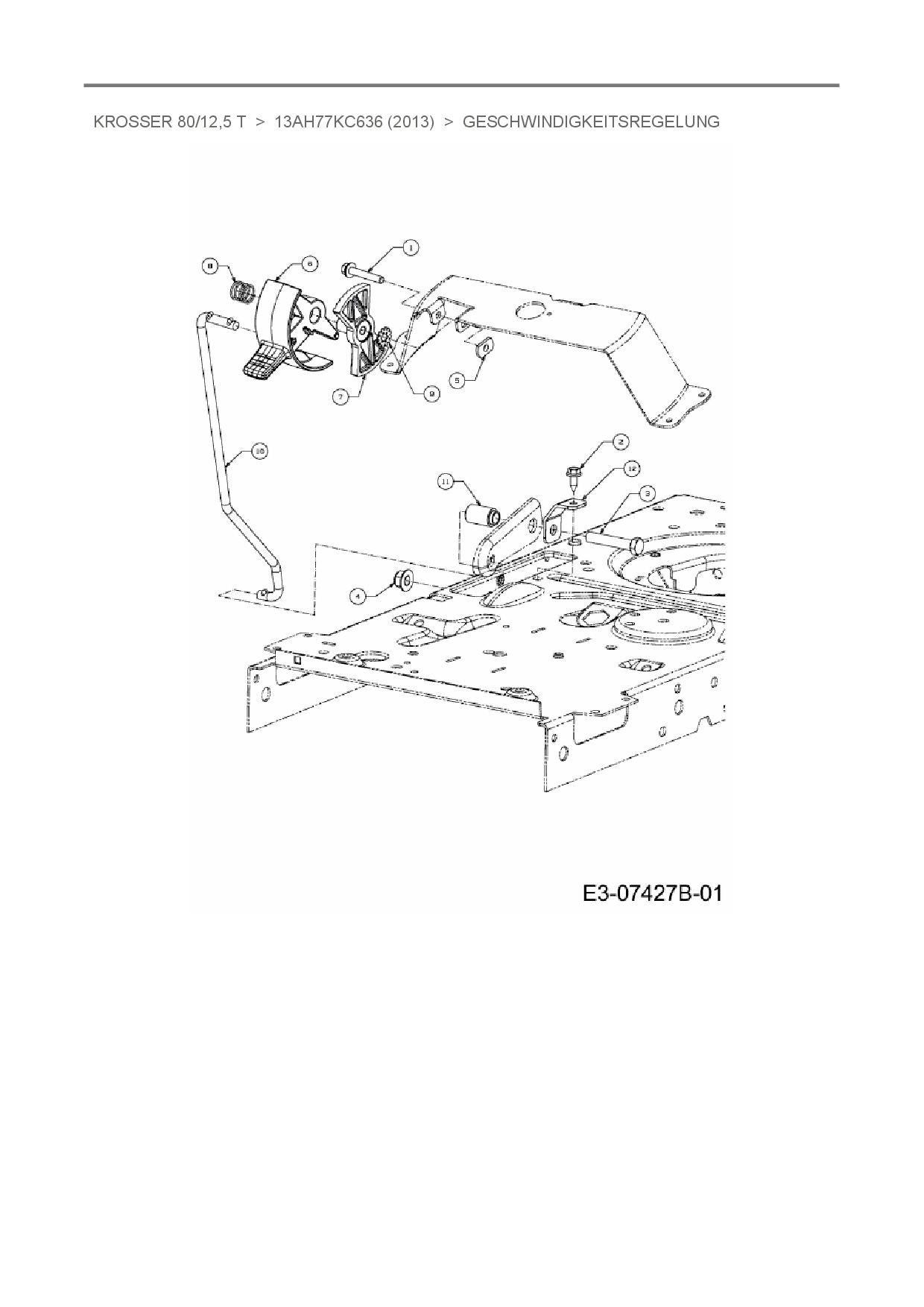
Zeichnung für Oleo-Mac Rasentraktor Krosser 80/12,5 T mit der Geräte-Artikelnr. 13AH77KC636 ab Baujahr 2013:

Zeichnung Geschwindigkeitsregelung

Die Ersatzteil-Zeichnung für Rasentraktor Oleo-Mac Krosser 80/12,5 T als Download:
Download Ersatzteil-Zeichnung Oleo-Mac Krosser 80/12,5 T Zeichnung Geschwindigkeitsregelung (PDF-Format)
Download Ersatzteil-Zeichnung Oleo-Mac Krosser 80/12,5 T Zeichnung Geschwindigkeitsregelung (JPG-Format)

Sollten Sie Fragen zu einem Ersatzteil haben, können Sie uns gerne eine E-Mail (mit einem Foto vom Typenschild Ihres Gerätes) schreiben oder eine Ersatzteilanfrage stellen.

Ersatzteile für Rasentraktor Oleo-Mac Krosser 80/12,5 T aus der Zeichnung Geschwindigkeitsregelung:
Artikel 1 - 12 von 12

13,28 € *
Lieferzeit: 2 - 10 Werktage
15,08 € *
Lieferzeit: 2 - 10 Werktage

Artikel 1 - 12 von 12