Geradschleifer ( 0 601 207 003 )

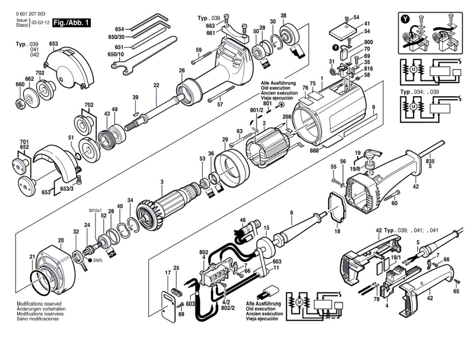
Zeichnung Bosch Geradschleifer 0 601 207 003:

Zeichnung 1

Sollten Sie Fragen zu einem Ersatzteil haben, können Sie uns gerne eine Ersatzteilanfrage stellen.

Hier finden Sie alle Ersatzteile für Bosch Geradschleifer 0 601 207 003:
Artikel 1 - 30 von 38

4,52 € *
Lieferzeit: 2 - 10 Werktage
4,52 € *
Lieferzeit: 2 - 10 Werktage
7,56 € *
Lieferzeit: 2 - 10 Werktage
4,52 € *
Lieferzeit: 2 - 10 Werktage
4,52 € *
Lieferzeit: 2 - 10 Werktage
6,55 € *
Lieferzeit: 2 - 10 Werktage
5,28 € *
Lieferzeit: 2 - 10 Werktage
4,52 € *
Lieferzeit: 2 - 10 Werktage
4,52 € *
Lieferzeit: 2 - 10 Werktage
4,86 € *
Lieferzeit: 2 - 10 Werktage
45,51 € *
Lieferzeit: 2 - 10 Werktage

Artikel 1 - 30 von 38