Gehäuse

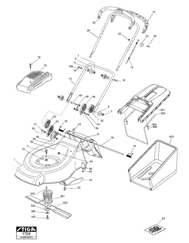
Zeichnung von Stiga Benzin-Rasenmäher ab 2004 51 PD (Geräte Nr 23-5386-13):

Klicken Sie auf diese Zeichnung

Sollten Sie Fragen zu einem Ersatzteil haben, können Sie uns gerne eine Ersatzteilanfrage stellen.

Hier finden Sie alle Ersatzteile von Stiga Benzin-Rasenmäher ab 2004 51 PD (Geräte Nr 23-5386-13) aus dem Zeichnungsblatt Gehäuse:
Artikel 1 - 10 von 42