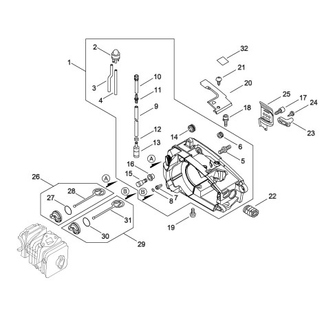
Gehäuse

Zeichnung von ECHO Motorsägen CS-280TES CS-280TES ab S.-Nr.: 38000001 Gehäuse:

Klicken Sie auf diese Zeichnung

Sollten Sie Fragen zu einem Ersatzteil haben, können Sie uns gerne eine Ersatzteilanfrage stellen.

Hier finden Sie alle Ersatzteile von ECHO Motorsägen CS-280TES CS-280TES ab S.-Nr.: 38000001:
Artikel 1 - 20 von 30


Artikel 1 - 20 von 30