Gehäuse

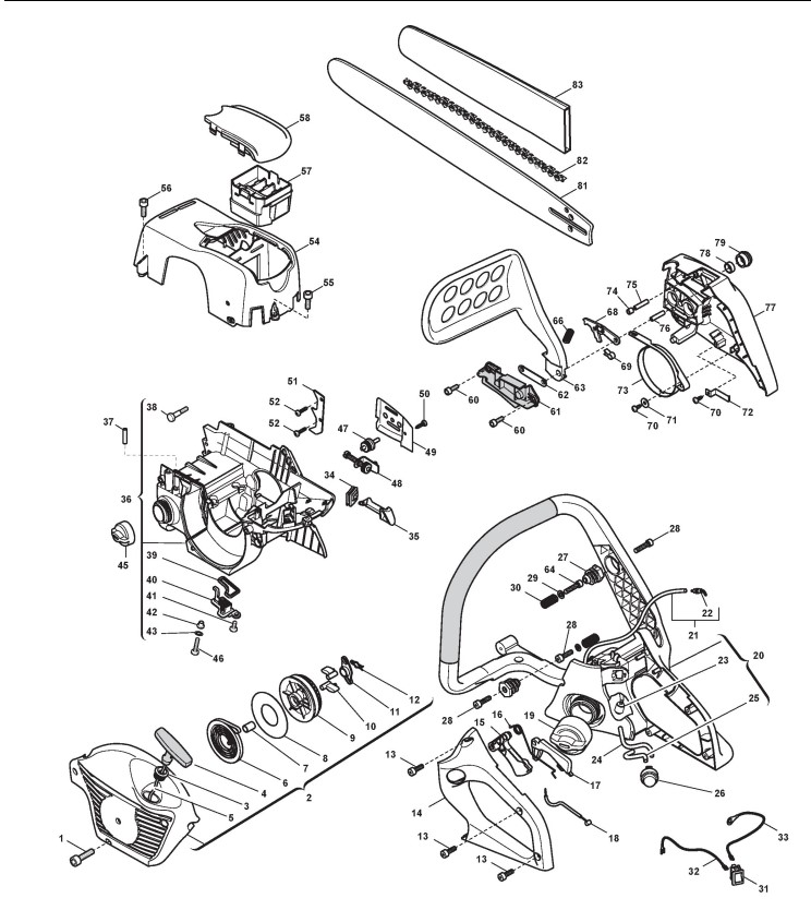
Zeichnung von Castelgarden Benzin Kettensägen XC 48 (223418003/05) ab 2007:

Klicken Sie auf diese Zeichnung

Sollten Sie Fragen zu einem Ersatzteil haben, können Sie uns gerne eine Ersatzteilanfrage stellen.

Hier finden Sie alle Ersatzteile von Castelgarden Benzin Kettensägen XC 48 (223418003/05) ab 2007 aus der Zeichnung Gehäuse:
Artikel 1 - 20 von 31


Artikel 1 - 20 von 31