Gehäuse

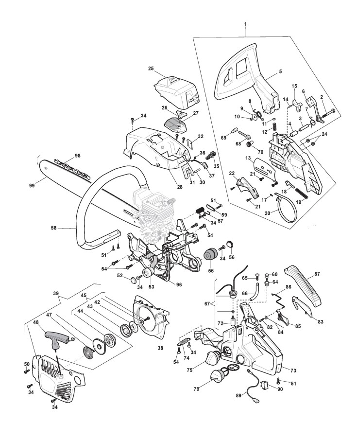
Zeichnung von Castelgarden Benzin Kettensägen XC 240 (203714003/11) ab 2012:

Klicken Sie auf diese Zeichnung

Sollten Sie Fragen zu einem Ersatzteil haben, können Sie uns gerne eine Ersatzteilanfrage stellen.

Hier finden Sie alle Ersatzteile von Castelgarden Benzin Kettensägen XC 240 (203714003/11) ab 2012 aus der Zeichnung Gehäuse:
Artikel 1 - 20 von 25


Artikel 1 - 20 von 25