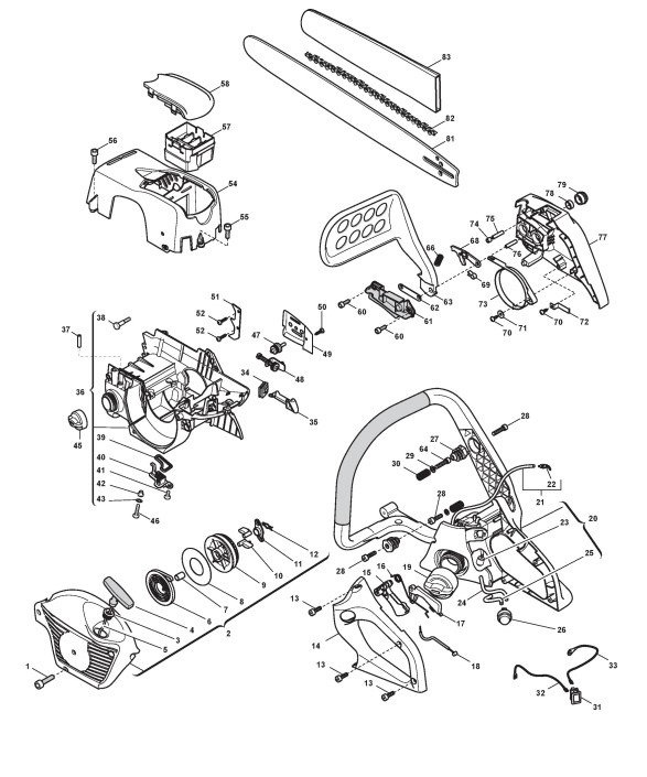
Gehäuse

Zeichnungen von Stiga Kettensägen SP 480 mit Geräte Nr. 223413002/05 ab Baujahr 2005

Zeichnung


Beachten Sie bitte, dass die Gerätebezeichnung Stiga Kettensägen SP 480, das Baujahr ab 2005 und die Geräte Nr. 223413002/05 lauten muss, denn nur so kann sichergestellt werden, dass das Ersatzteil passt.
Nur die hier aufgeführten Ersatzteile sind für dieses Gerät verfügbar. Alle anderen Ersatzteile sind nicht mehr lieferbar.
Ersatzteile von Stiga Kettensägen SP 480 (Geräte ID 223413002/05) Baujahr ab Bj 2005:
Artikel 1 - 20 von 30

6,60 € *
Lieferzeit: 2 - 10 Werktage

Artikel 1 - 20 von 30