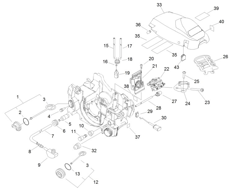
Gehäuse, Luftfilter

Zeichnung von ECHO Motorsägen CS-352ES CS-352ES ab S.-Nr.: 37004652 Gehäuse, Luftfilter:

Klicken Sie auf diese Zeichnung

Sollten Sie Fragen zu einem Ersatzteil haben, können Sie uns gerne eine Ersatzteilanfrage stellen.

Hier finden Sie alle Ersatzteile von ECHO Motorsägen CS-352ES CS-352ES ab S.-Nr.: 37004652:
Artikel 1 - 10 von 25


Artikel 1 - 10 von 25