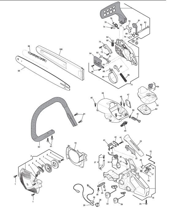
Gehäuse (1)

Zeichnung von Castelgarden Benzin Kettensägen XC 42 (224216003/07) ab 2007:

Klicken Sie auf diese Zeichnung

Sollten Sie Fragen zu einem Ersatzteil haben, können Sie uns gerne eine Ersatzteilanfrage stellen.

Hier finden Sie alle Ersatzteile von Castelgarden Benzin Kettensägen XC 42 (224216003/07) ab 2007 aus der Zeichnung Gehäuse (1):
Artikel 1 - 20 von 20


Artikel 1 - 20 von 20