Gebläsegehäuse, Zubehör

Ersatzteile für Dolmar Sprühgeräte SP-7650.4 R Gebläsegehäuse, Zubehör:

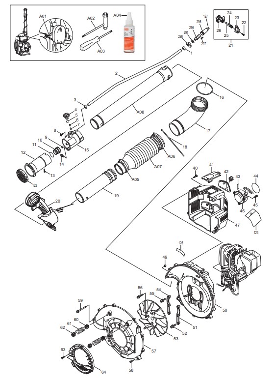
Dolmar Sprühgeräte SP-7650.4 R Gebläsegehäuse, Zubehör
Zeichnung:

Sollten Sie Fragen zu einem Ersatzteil von Dolmar Sprühgeräte SP-7650.4 R Gebläsegehäuse, Zubehör haben, können Sie uns gerne eine E-Mail (mit einem Foto vom Typenschild Ihres Gerätes) schreiben oder eine Ersatzteilanfrage stellen.

Folgende Ersatzteile für Dolmar Sprühgeräte SP-7650.4 R Gebläsegehäuse, Zubehör können Sie hier bestellen:
Artikel 1 - 10 von 69