GHX-CH550H

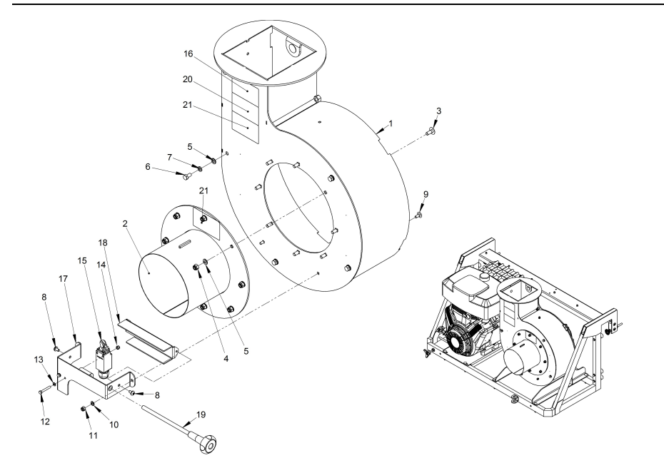
Zeichnung von Erco Häcksler GHX-CH550 GHX-CH550HH GHX-CH550H:

Klicken Sie auf diese Zeichnung

Sollten Sie Fragen zu einem Ersatzteil haben, können Sie uns gerne eine Ersatzteilanfrage stellen.

Hier finden Sie alle Ersatzteile von Erco Häcksler GHX-CH550 GHX-CH550HH aus der Zeichnung GHX-CH550H:
Artikel 1 - 10 von 28


Artikel 1 - 10 von 28