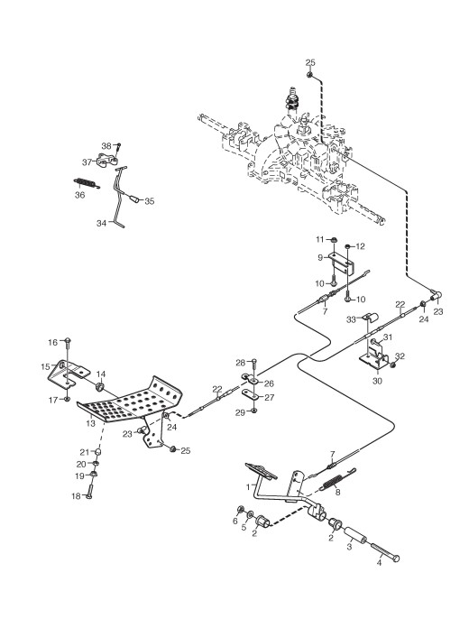
Fußregulierung

Zeichnung von Castelgarden Park Compact XK 160 HD (13-6103-01) ab 2011:

Klicken Sie auf diese Zeichnung

Sollten Sie Fragen zu einem Ersatzteil haben, können Sie uns gerne eine Ersatzteilanfrage stellen.

Hier finden Sie alle Ersatzteile von Castelgarden Park Compact XK 160 HD (13-6103-01) ab 2011 aus der Zeichnung Fußregulierung:
Artikel 1 - 20 von 37


Artikel 1 - 20 von 37