Freischneider

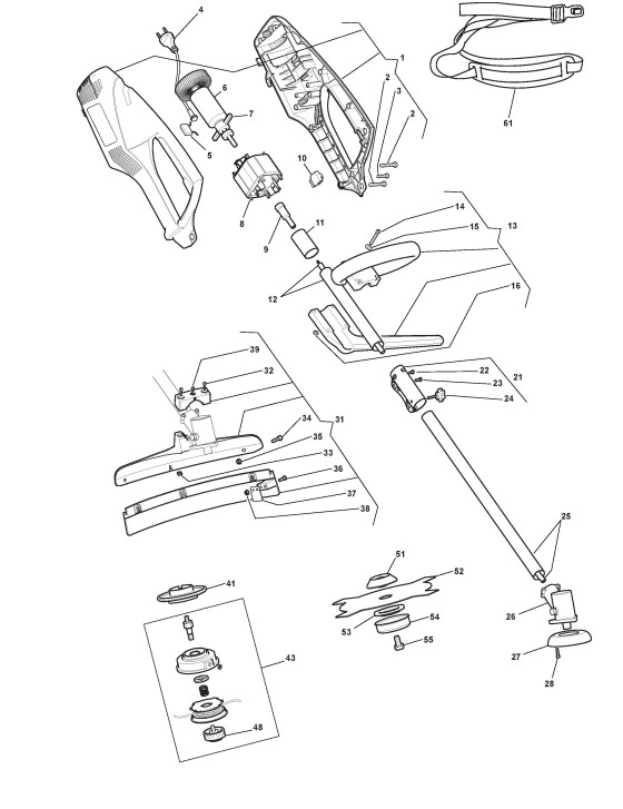
Zeichnung von Castelgarden Elektro Freischneider BC 1100 E (291820103/06) ab 2012:

Klicken Sie auf diese Zeichnung

Sollten Sie Fragen zu einem Ersatzteil haben, können Sie uns gerne eine Ersatzteilanfrage stellen.

Hier finden Sie alle Ersatzteile von Castelgarden Elektro Freischneider BC 1100 E (291820103/06) ab 2012 aus der Zeichnung Freischneider:
Artikel 1 - 9 von 9


Artikel 1 - 9 von 9