Fangsack, Messerwalze, Motor

Zeichnung für Bolens Elektrovertikutierer BL 1540 EV mit der Geräte-Artikelnr. 16BF5AEA684 ab Baujahr 2008:

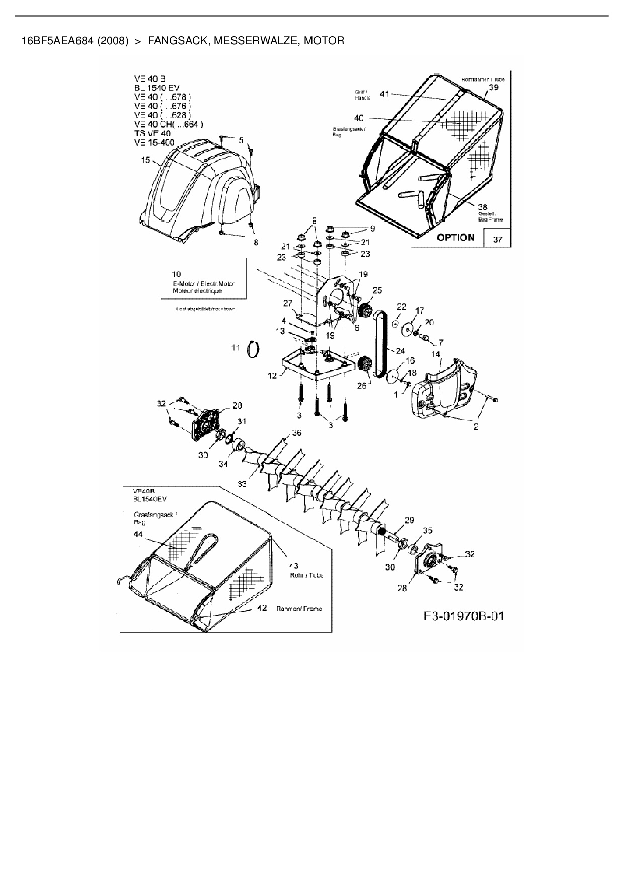
Zeichnung Fangsack, Messerwalze, Motor

Die Ersatzteil-Zeichnung für Elektrovertikutierer Bolens BL 1540 EV als Download:
Download Ersatzteil-Zeichnung Bolens BL 1540 EV Zeichnung Fangsack, Messerwalze, Motor (PDF-Format)
Download Ersatzteil-Zeichnung Bolens BL 1540 EV Zeichnung Fangsack, Messerwalze, Motor (JPG-Format)

Sollten Sie Fragen zu einem Ersatzteil haben, können Sie uns gerne eine E-Mail (mit einem Foto vom Typenschild Ihres Gerätes) schreiben oder eine Ersatzteilanfrage stellen.

Ersatzteile für Elektrovertikutierer Bolens BL 1540 EV aus der Zeichnung Fangsack, Messerwalze, Motor:
Artikel 1 - 30 von 40

4,88 € *
Lieferzeit: 2 - 10 Werktage
21,88 € *
Lieferzeit: 2 - 10 Werktage
14,30 € *
Lieferzeit: 2 - 10 Werktage
6,88 € *
Lieferzeit: 2 - 10 Werktage
5,88 € *
Lieferzeit: 2 - 10 Werktage
24,61 € *
Lieferzeit: 2 - 10 Werktage
15,78 € *
Lieferzeit: 2 - 10 Werktage
42,88 € *
Lieferzeit: 2 - 10 Werktage
28,36 € *
Lieferzeit: 2 - 10 Werktage

Artikel 1 - 30 von 40