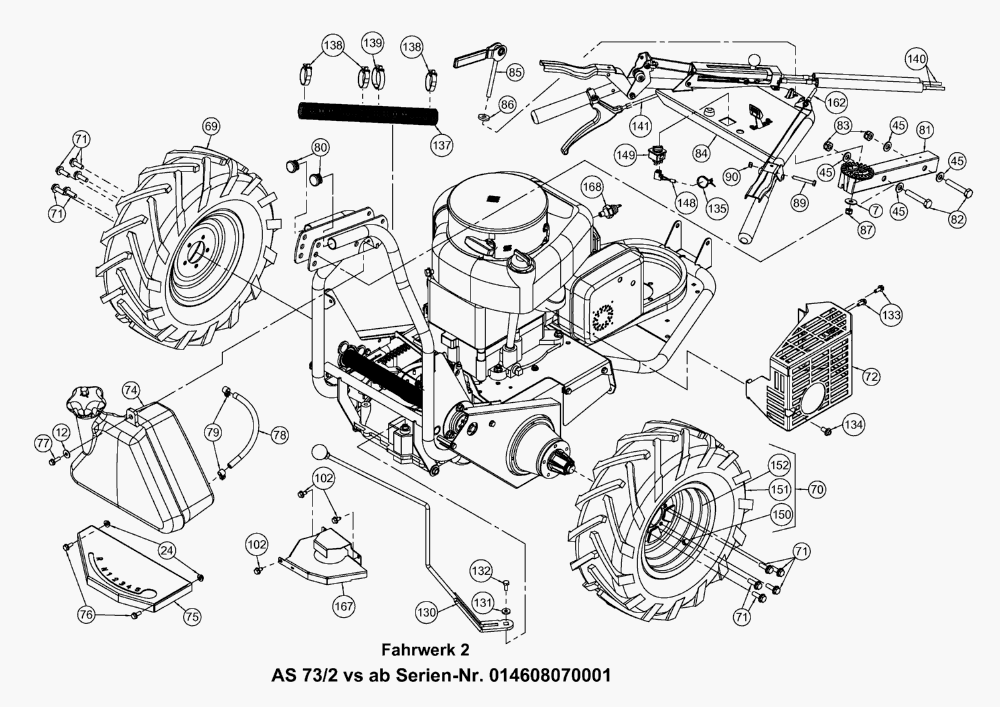
Fahrwerk Abb.2

Zeichnung von AS-Motor Allmäher AS 73 4T B&S und AS 73/2 vs ab FNr. 014608070001:

Klicken Sie auf diese Zeichnung

Sollten Sie Fragen zu einem Ersatzteil haben, können Sie uns gerne eine Ersatzteilanfrage stellen.

Hier finden Sie alle Ersatzteile von AS-Motor Allmäher AS 73 4T B&S und AS 73/2 vs ab FNr. 014608070001 aus dem Zeichnungsblatt Fahrwerk Abb.2:
Artikel 1 - 10 von 43