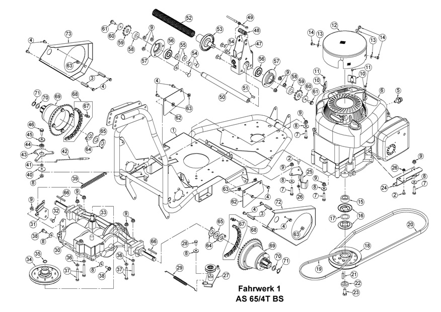
Fahrwerk Abb.1

Zeichnung von AS-Motor Allmäher AS 65 4T B&S und AS 65/4T BS ab FNr. 021308090001:

Klicken Sie auf diese Zeichnung

Sollten Sie Fragen zu einem Ersatzteil haben, können Sie uns gerne eine Ersatzteilanfrage stellen.

Hier finden Sie alle Ersatzteile von AS-Motor Allmäher AS 65 4T B&S und AS 65/4T BS ab FNr. 021308090001 aus dem Zeichnungsblatt Fahrwerk Abb.1:
Artikel 1 - 10 von 73