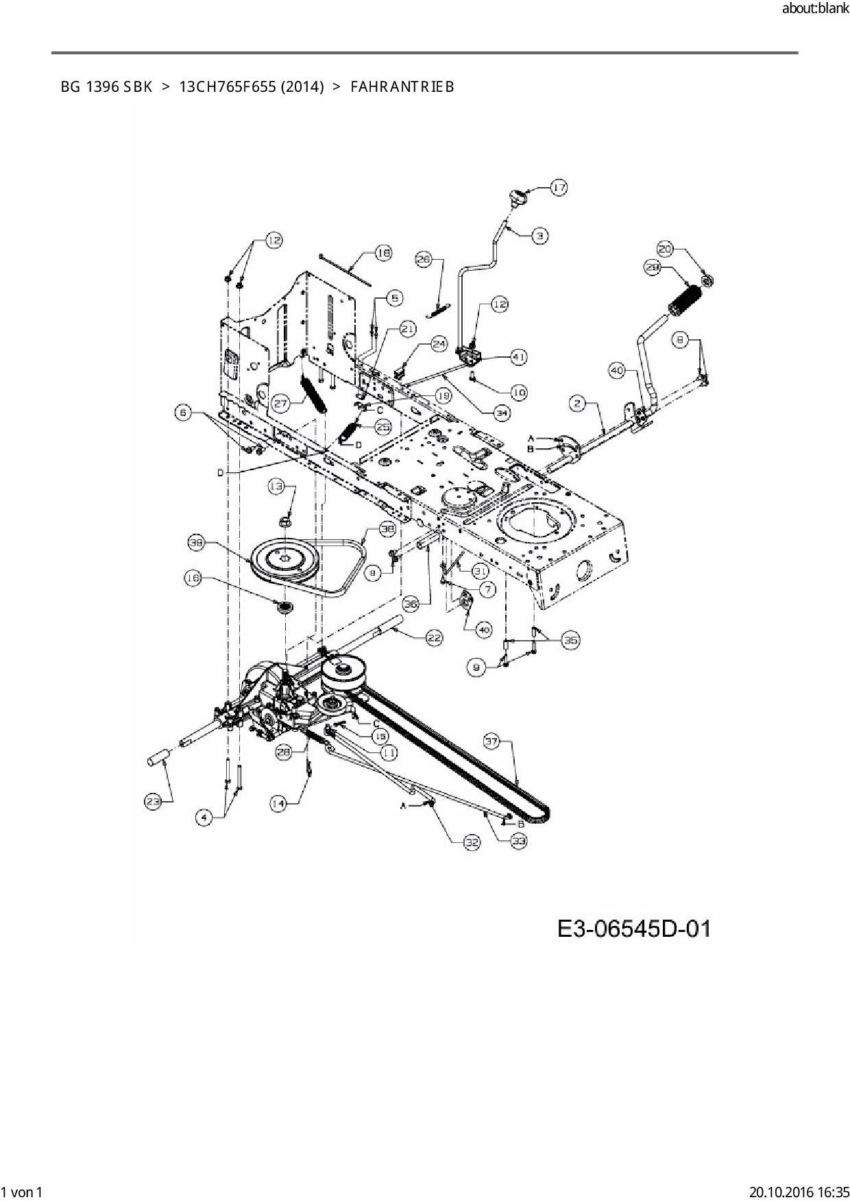
Fahrantrieb

Zeichnung für Bestgreen Rasentraktor BG 1396 SBK mit der Geräte-Artikelnr. 13CH765F655 ab Baujahr 2014:

Zeichnung Fahrantrieb

Die Ersatzteil-Zeichnung für Rasentraktor Bestgreen BG 1396 SBK als Download:
Download Ersatzteil-Zeichnung Bestgreen BG 1396 SBK Zeichnung Fahrantrieb (PDF-Format)
Download Ersatzteil-Zeichnung Bestgreen BG 1396 SBK Zeichnung Fahrantrieb (JPG-Format)

Sollten Sie Fragen zu einem Ersatzteil haben, können Sie uns gerne eine E-Mail (mit einem Foto vom Typenschild Ihres Gerätes) schreiben oder eine Ersatzteilanfrage stellen.

Ersatzteile für Rasentraktor Bestgreen BG 1396 SBK aus der Zeichnung Fahrantrieb:
Artikel 1 - 10 von 39

30,67 € *
Lieferzeit: 2 - 10 Werktage
7,88 € *
Lieferzeit: 2 - 10 Werktage
7,88 € *
Lieferzeit: 2 - 10 Werktage
5,88 € *
Lieferzeit: 2 - 10 Werktage
5,88 € *
Lieferzeit: 2 - 10 Werktage
12,88 € *
Lieferzeit: 2 - 10 Werktage