Fahrantrieb

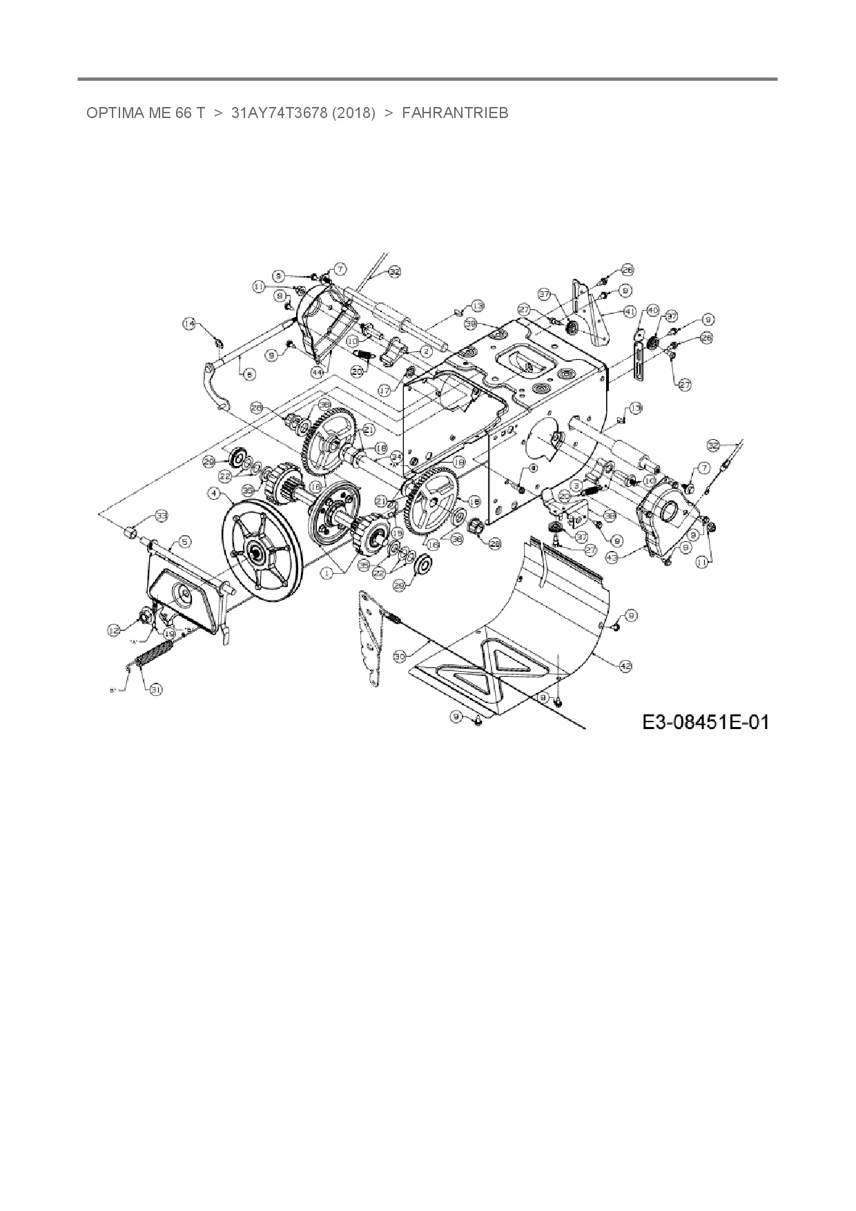
Zeichnung für MTD Schneefräse Optima ME 66 T mit der Geräte-Artikelnr. 31AY74T3678 ab Baujahr 2018:

Zeichnung Fahrantrieb

Die Ersatzteil-Zeichnung für Schneefräse MTD Optima ME 66 T als Download:
Download Ersatzteil-Zeichnung MTD Optima ME 66 T Zeichnung Fahrantrieb (PDF-Format)
Download Ersatzteil-Zeichnung MTD Optima ME 66 T Zeichnung Fahrantrieb (JPG-Format)

Sollten Sie Fragen zu einem Ersatzteil haben, können Sie uns gerne eine E-Mail (mit einem Foto vom Typenschild Ihres Gerätes) schreiben oder eine Ersatzteilanfrage stellen.

Ersatzteile für Schneefräse MTD Optima ME 66 T aus der Zeichnung Fahrantrieb:
Artikel 1 - 20 von 36

372,56 € *
Lieferzeit: 2 - 10 Werktage
24,08 € *
Lieferzeit: 2 - 10 Werktage
24,08 € *
Lieferzeit: 2 - 10 Werktage
79,63 € *
Lieferzeit: 2 - 10 Werktage
54,61 € *
Lieferzeit: 2 - 10 Werktage
5,88 € *
Lieferzeit: 2 - 10 Werktage
5,88 € *
Lieferzeit: 2 - 10 Werktage
5,88 € *
Lieferzeit: 2 - 10 Werktage
13,56 € *
Lieferzeit: 2 - 10 Werktage
5,88 € *
Lieferzeit: 2 - 10 Werktage
6,86 € *
Lieferzeit: 2 - 10 Werktage
7,88 € *
Lieferzeit: 2 - 10 Werktage
5,88 € *
Lieferzeit: 2 - 10 Werktage
5,88 € *
Lieferzeit: 2 - 10 Werktage
57,13 € *
Lieferzeit: 2 - 10 Werktage
5,88 € *
Lieferzeit: 2 - 10 Werktage
6,88 € *
Lieferzeit: 2 - 10 Werktage
13,06 € *
Lieferzeit: 2 - 10 Werktage
6,88 € *
Lieferzeit: 2 - 10 Werktage
7,88 € *
Lieferzeit: 2 - 10 Werktage

Artikel 1 - 20 von 36