Fahrantrieb

Zeichnung für Turbo-Silent Rasentraktor TSRH 125/92 mit der Geräte-Artikelnr. 13A1458E667 ab Baujahr 2003:

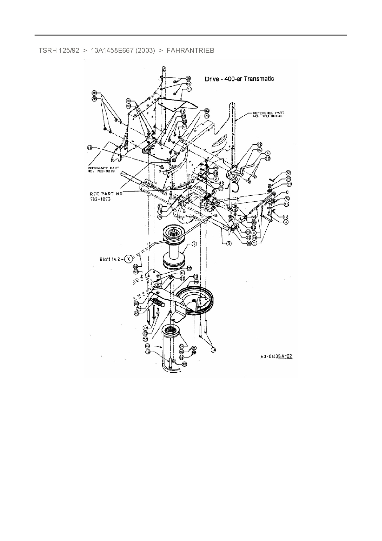
Zeichnung Fahrantrieb

Die Ersatzteil-Zeichnung für Rasentraktor Turbo-Silent TSRH 125/92 als Download:
Download Ersatzteil-Zeichnung Turbo-Silent TSRH 125/92 Zeichnung Fahrantrieb (PDF-Format)
Download Ersatzteil-Zeichnung Turbo-Silent TSRH 125/92 Zeichnung Fahrantrieb (JPG-Format)

Sollten Sie Fragen zu einem Ersatzteil haben, können Sie uns gerne eine E-Mail (mit einem Foto vom Typenschild Ihres Gerätes) schreiben oder eine Ersatzteilanfrage stellen.

Ersatzteile für Rasentraktor Turbo-Silent TSRH 125/92 aus der Zeichnung Fahrantrieb:
Artikel 1 - 20 von 67

15,70 € *
Lieferzeit: 2 - 10 Werktage
779,22 € *
Lieferzeit: 2 - 10 Werktage
43,88 € *
Lieferzeit: 2 - 10 Werktage
27,88 € *
Lieferzeit: 2 - 10 Werktage
4,88 € *
Lieferzeit: 2 - 10 Werktage