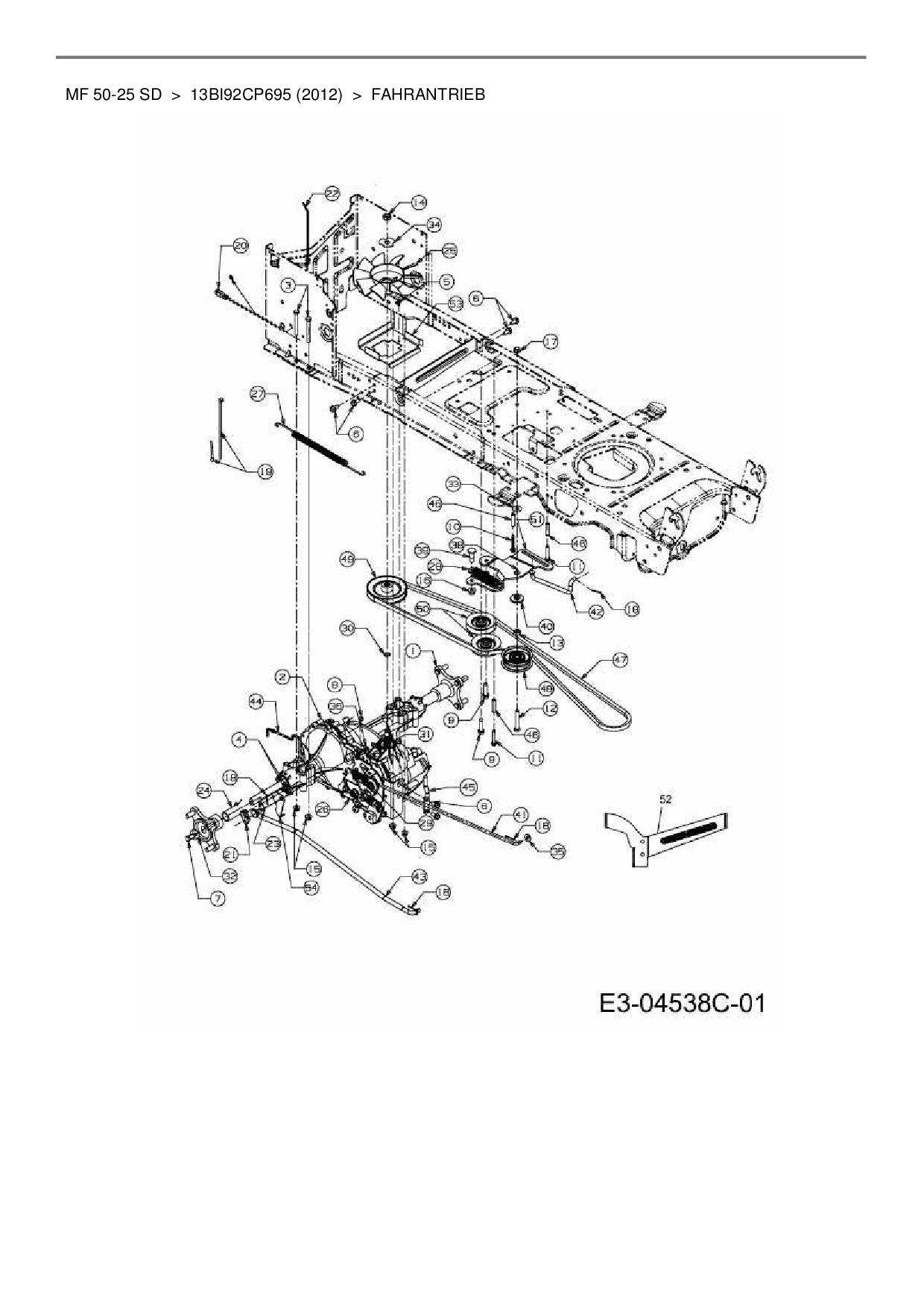
Fahrantrieb

Zeichnung für Massey Ferguson Rasentraktor MF 50-25 SD mit der Geräte-Artikelnr. 13BI92CP695 ab Baujahr 2012:

Zeichnung Fahrantrieb

Die Ersatzteil-Zeichnung für Rasentraktor Massey Ferguson MF 50-25 SD als Download:
Download Ersatzteil-Zeichnung Massey Ferguson MF 50-25 SD Zeichnung Fahrantrieb (PDF-Format)
Download Ersatzteil-Zeichnung Massey Ferguson MF 50-25 SD Zeichnung Fahrantrieb (JPG-Format)

Sollten Sie Fragen zu einem Ersatzteil haben, können Sie uns gerne eine E-Mail (mit einem Foto vom Typenschild Ihres Gerätes) schreiben oder eine Ersatzteilanfrage stellen.

Ersatzteile für Rasentraktor Massey Ferguson MF 50-25 SD aus der Zeichnung Fahrantrieb:
Artikel 1 - 10 von 49