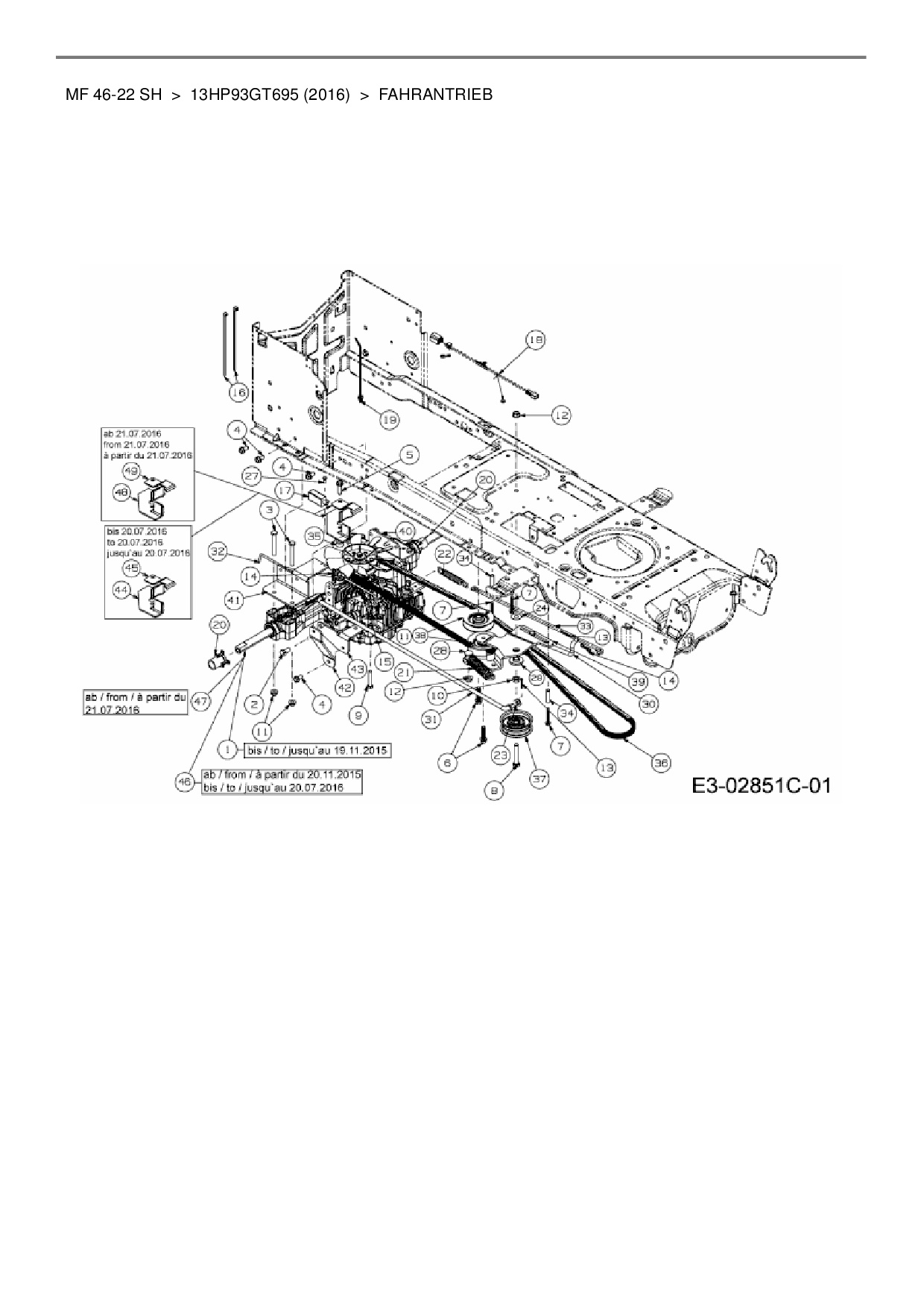
Fahrantrieb

Zeichnung für Massey Ferguson Rasentraktor MF 46-22 SH mit der Geräte-Artikelnr. 13HP93GT695 ab Baujahr 2016:

Zeichnung Fahrantrieb

Die Ersatzteil-Zeichnung für Rasentraktor Massey Ferguson MF 46-22 SH als Download:
Download Ersatzteil-Zeichnung Massey Ferguson MF 46-22 SH Zeichnung Fahrantrieb (PDF-Format)
Download Ersatzteil-Zeichnung Massey Ferguson MF 46-22 SH Zeichnung Fahrantrieb (JPG-Format)

Sollten Sie Fragen zu einem Ersatzteil haben, können Sie uns gerne eine E-Mail (mit einem Foto vom Typenschild Ihres Gerätes) schreiben oder eine Ersatzteilanfrage stellen.

Ersatzteile für Rasentraktor Massey Ferguson MF 46-22 SH aus der Zeichnung Fahrantrieb:
Artikel 1 - 20 von 36

1.140,46 € *
Lieferzeit: 2 - 10 Werktage
5,88 € *
Lieferzeit: 2 - 10 Werktage
5,88 € *
Lieferzeit: 2 - 10 Werktage
4,88 € *
Lieferzeit: 2 - 10 Werktage
4,88 € *
Lieferzeit: 2 - 10 Werktage

Artikel 1 - 20 von 36