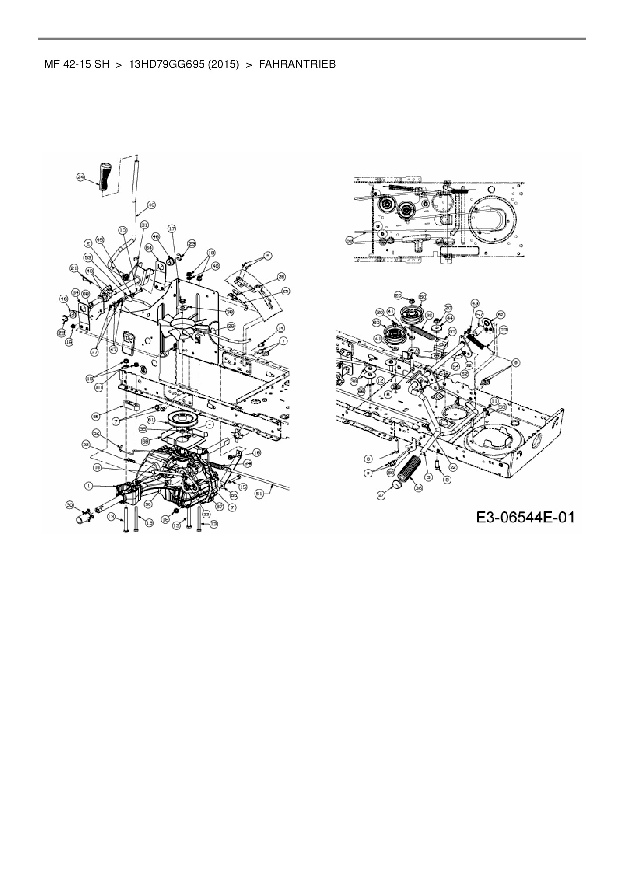
Fahrantrieb

Zeichnung für Massey Ferguson Rasentraktor MF 42-15 SH mit der Geräte-Artikelnr. 13HD79GG695 ab Baujahr 2015:

Zeichnung Fahrantrieb

Die Ersatzteil-Zeichnung für Rasentraktor Massey Ferguson MF 42-15 SH als Download:
Download Ersatzteil-Zeichnung Massey Ferguson MF 42-15 SH Zeichnung Fahrantrieb (PDF-Format)
Download Ersatzteil-Zeichnung Massey Ferguson MF 42-15 SH Zeichnung Fahrantrieb (JPG-Format)

Sollten Sie Fragen zu einem Ersatzteil haben, können Sie uns gerne eine E-Mail (mit einem Foto vom Typenschild Ihres Gerätes) schreiben oder eine Ersatzteilanfrage stellen.

Ersatzteile für Rasentraktor Massey Ferguson MF 42-15 SH aus der Zeichnung Fahrantrieb:
Artikel 1 - 20 von 62

1.129,80 € *
Lieferzeit: 2 - 10 Werktage