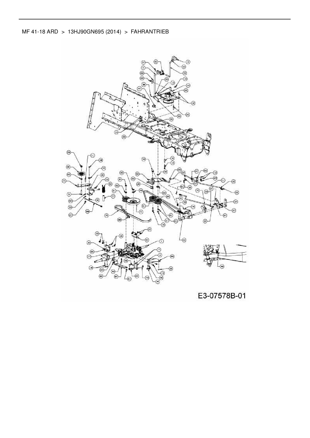
Fahrantrieb

Zeichnung für Massey Ferguson Rasentraktor MF 41-18 ARD mit der Geräte-Artikelnr. 13HJ90GN695 ab Baujahr 2014:

Zeichnung Fahrantrieb

Die Ersatzteil-Zeichnung für Rasentraktor Massey Ferguson MF 41-18 ARD als Download:
Download Ersatzteil-Zeichnung Massey Ferguson MF 41-18 ARD Zeichnung Fahrantrieb (PDF-Format)
Download Ersatzteil-Zeichnung Massey Ferguson MF 41-18 ARD Zeichnung Fahrantrieb (JPG-Format)

Sollten Sie Fragen zu einem Ersatzteil haben, können Sie uns gerne eine E-Mail (mit einem Foto vom Typenschild Ihres Gerätes) schreiben oder eine Ersatzteilanfrage stellen.

Ersatzteile für Rasentraktor Massey Ferguson MF 41-18 ARD aus der Zeichnung Fahrantrieb:
Artikel 1 - 20 von 80