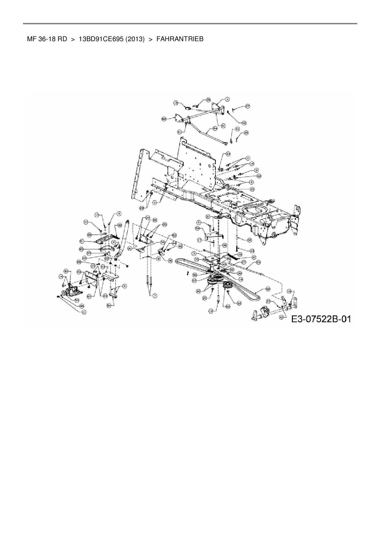
Fahrantrieb

Zeichnung für Massey Ferguson Rasentraktor MF 36-18 RD mit der Geräte-Artikelnr. 13BD91CE695 ab Baujahr 2013:

Zeichnung Fahrantrieb

Die Ersatzteil-Zeichnung für Rasentraktor Massey Ferguson MF 36-18 RD als Download:
Download Ersatzteil-Zeichnung Massey Ferguson MF 36-18 RD Zeichnung Fahrantrieb (PDF-Format)
Download Ersatzteil-Zeichnung Massey Ferguson MF 36-18 RD Zeichnung Fahrantrieb (JPG-Format)

Sollten Sie Fragen zu einem Ersatzteil haben, können Sie uns gerne eine E-Mail (mit einem Foto vom Typenschild Ihres Gerätes) schreiben oder eine Ersatzteilanfrage stellen.

Ersatzteile für Rasentraktor Massey Ferguson MF 36-18 RD aus der Zeichnung Fahrantrieb:
Artikel 1 - 20 von 66

8,88 € *
Lieferzeit: 2 - 10 Werktage
5,88 € *
Lieferzeit: 2 - 10 Werktage