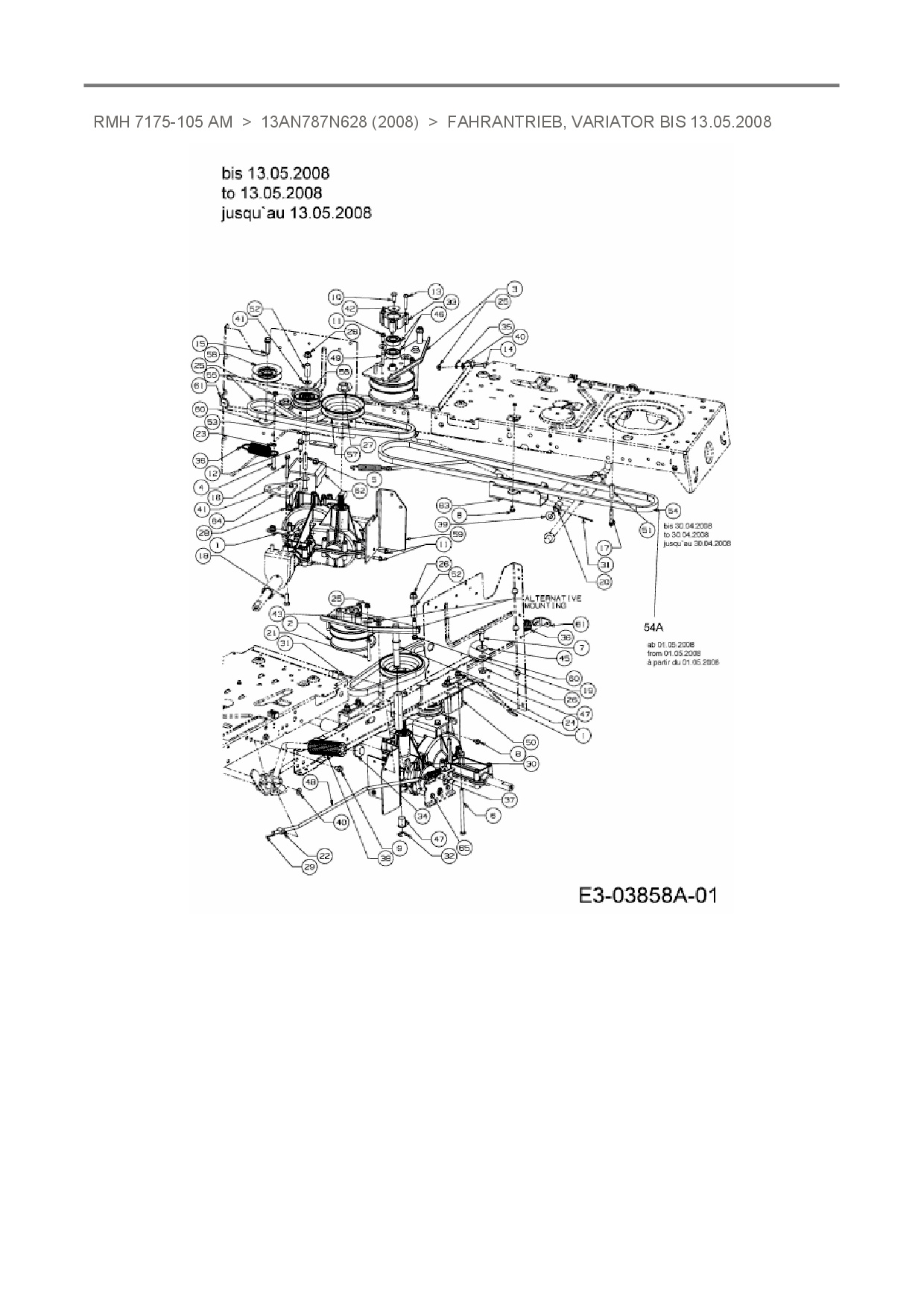
Fahrantrieb, Variator bis 13.05.2008

Zeichnung für Raiffeisen Rasentraktor RMH 7175-105 AM mit der Geräte-Artikelnr. 13AN787N628 ab Baujahr 2008:

Zeichnung Fahrantrieb, Variator bis 13.05.2008

Die Ersatzteil-Zeichnung für Rasentraktor Raiffeisen RMH 7175-105 AM als Download:
Download Ersatzteil-Zeichnung Raiffeisen RMH 7175-105 AM Zeichnung Fahrantrieb, Variator bis 13.05.2008 (PDF-Format)
Download Ersatzteil-Zeichnung Raiffeisen RMH 7175-105 AM Zeichnung Fahrantrieb, Variator bis 13.05.2008 (JPG-Format)

Sollten Sie Fragen zu einem Ersatzteil haben, können Sie uns gerne eine E-Mail (mit einem Foto vom Typenschild Ihres Gerätes) schreiben oder eine Ersatzteilanfrage stellen.

Ersatzteile für Rasentraktor Raiffeisen RMH 7175-105 AM aus der Zeichnung Fahrantrieb, Variator bis 13.05.2008:
Artikel 1 - 30 von 57

10,00 € *
Lieferzeit: 2 - 10 Werktage
5,88 € *
Lieferzeit: 2 - 10 Werktage
5,88 € *
Lieferzeit: 2 - 10 Werktage
5,88 € *
Lieferzeit: 2 - 10 Werktage
6,88 € *
Lieferzeit: 2 - 10 Werktage

Artikel 1 - 30 von 57