Fahrantrieb, Pedale

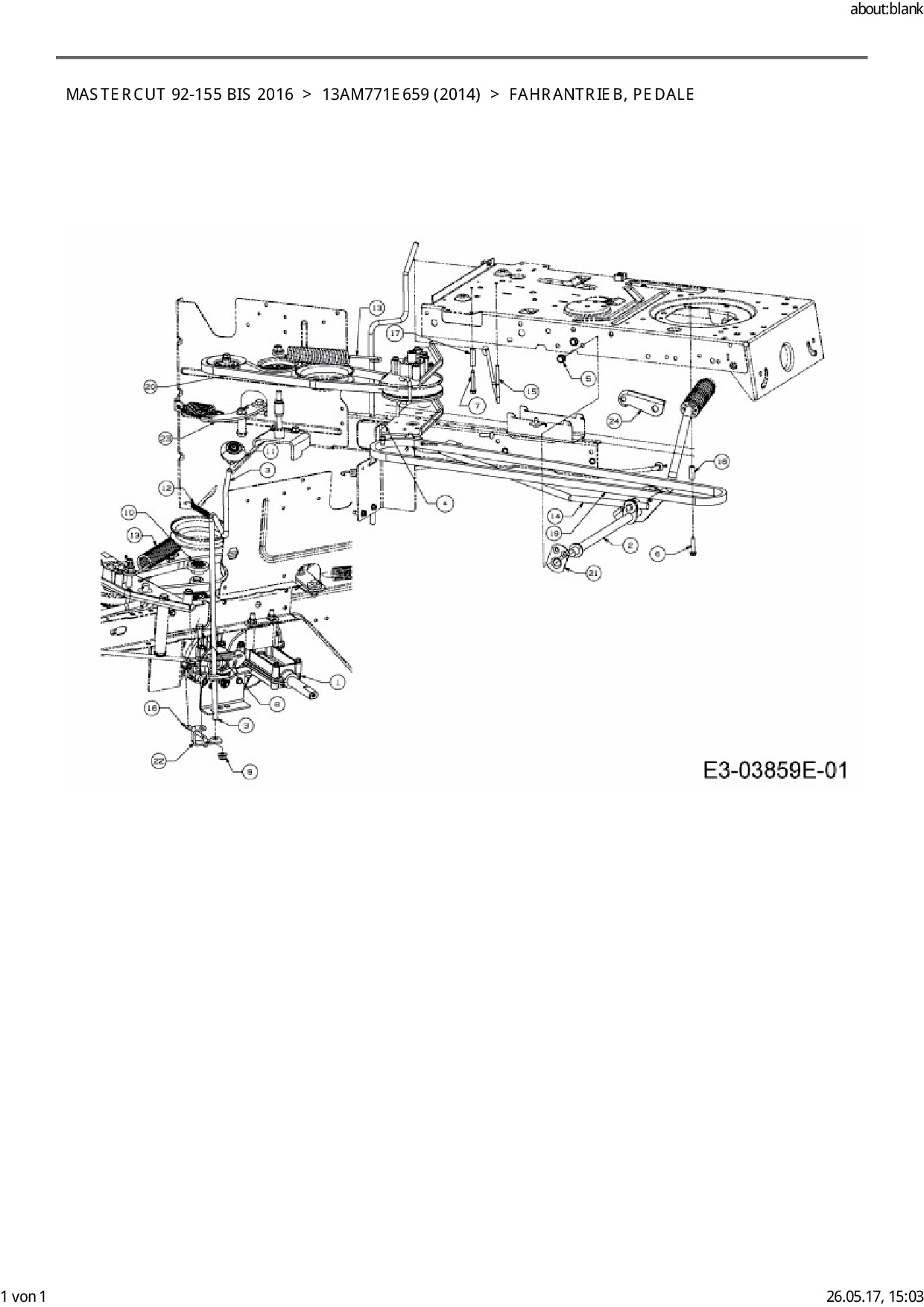
Zeichnung für Mastercut Rasentraktor Mastercut 92-155 bis 2016 mit der Geräte-Artikelnr. 13AM771E659 ab Baujahr 2014:

Zeichnung Fahrantrieb, Pedale

Die Ersatzteil-Zeichnung für Rasentraktor Mastercut Mastercut 92-155 bis 2016 als Download:
Download Ersatzteil-Zeichnung Mastercut Mastercut 92-155 bis 2016 Zeichnung Fahrantrieb, Pedale (PDF-Format)
Download Ersatzteil-Zeichnung Mastercut Mastercut 92-155 bis 2016 Zeichnung Fahrantrieb, Pedale (JPG-Format)

Sollten Sie Fragen zu einem Ersatzteil haben, können Sie uns gerne eine E-Mail (mit einem Foto vom Typenschild Ihres Gerätes) schreiben oder eine Ersatzteilanfrage stellen.

Ersatzteile für Rasentraktor Mastercut Mastercut 92-155 bis 2016 aus der Zeichnung Fahrantrieb, Pedale:
Artikel 1 - 18 von 18

10,32 € *
Lieferzeit: 2 - 10 Werktage

Artikel 1 - 18 von 18