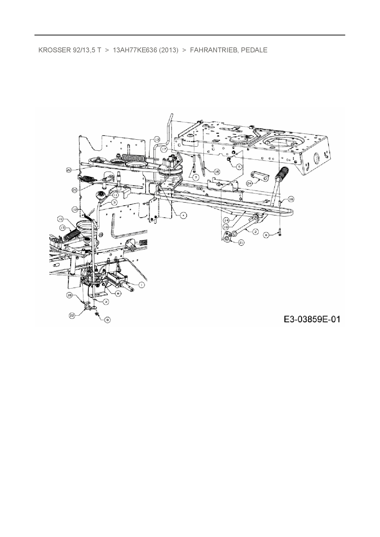
Fahrantrieb, Pedale

Zeichnung für Oleo-Mac Rasentraktor Krosser 92/13,5 T mit der Geräte-Artikelnr. 13AH77KE636 ab Baujahr 2013:

Zeichnung Fahrantrieb, Pedale

Die Ersatzteil-Zeichnung für Rasentraktor Oleo-Mac Krosser 92/13,5 T als Download:
Download Ersatzteil-Zeichnung Oleo-Mac Krosser 92/13,5 T Zeichnung Fahrantrieb, Pedale (PDF-Format)
Download Ersatzteil-Zeichnung Oleo-Mac Krosser 92/13,5 T Zeichnung Fahrantrieb, Pedale (JPG-Format)

Sollten Sie Fragen zu einem Ersatzteil haben, können Sie uns gerne eine E-Mail (mit einem Foto vom Typenschild Ihres Gerätes) schreiben oder eine Ersatzteilanfrage stellen.

Ersatzteile für Rasentraktor Oleo-Mac Krosser 92/13,5 T aus der Zeichnung Fahrantrieb, Pedale:
Artikel 1 - 18 von 18

10,32 € *
Lieferzeit: 2 - 10 Werktage

Artikel 1 - 18 von 18