Fahrantrieb, Fräsantrieb, Motor

Zeichnung für Wolf-Garten Expert Schneefräse Expert 7690 mit der Geräte-Artikelnr. 31AY55TU650 ab Baujahr 2013:

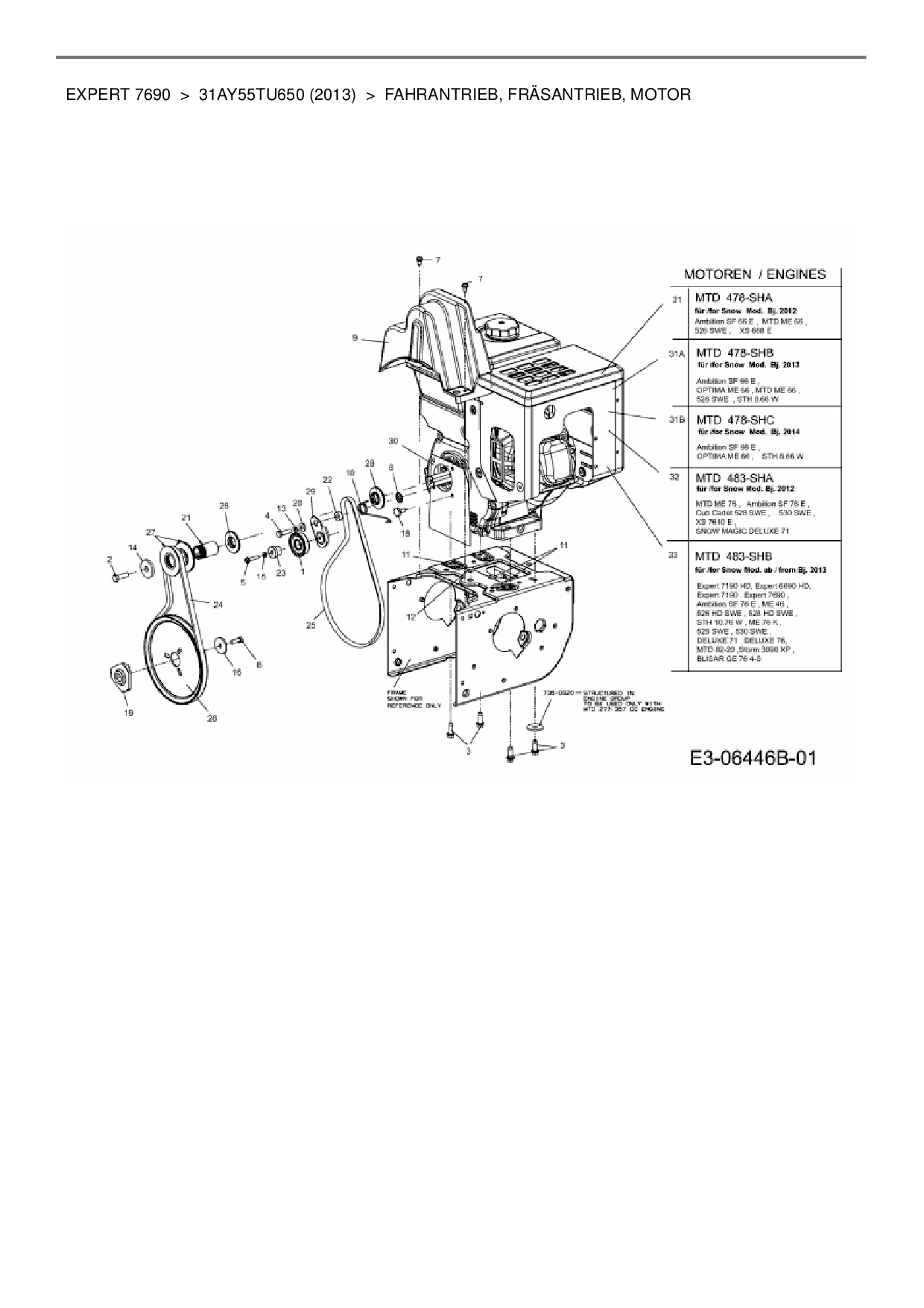
Zeichnung Fahrantrieb, Fräsantrieb, Motor

Die Ersatzteil-Zeichnung für Schneefräse Wolf-Garten Expert Expert 7690 als Download:
Download Ersatzteil-Zeichnung Wolf-Garten Expert Expert 7690 Zeichnung Fahrantrieb, Fräsantrieb, Motor (PDF-Format)
Download Ersatzteil-Zeichnung Wolf-Garten Expert Expert 7690 Zeichnung Fahrantrieb, Fräsantrieb, Motor (JPG-Format)

Sollten Sie Fragen zu einem Ersatzteil haben, können Sie uns gerne eine E-Mail (mit einem Foto vom Typenschild Ihres Gerätes) schreiben oder eine Ersatzteilanfrage stellen.

Ersatzteile für Schneefräse Wolf-Garten Expert Expert 7690 aus der Zeichnung Fahrantrieb, Fräsantrieb, Motor:
Artikel 1 - 20 von 34

5,88 € *
Lieferzeit: 2 - 10 Werktage
22,18 € *
Lieferzeit: 2 - 10 Werktage
10,88 € *
Lieferzeit: 2 - 10 Werktage
20,82 € *
Lieferzeit: 2 - 10 Werktage
20,82 € *
Lieferzeit: 2 - 10 Werktage
41,11 € *
Lieferzeit: 2 - 10 Werktage

Artikel 1 - 20 von 34