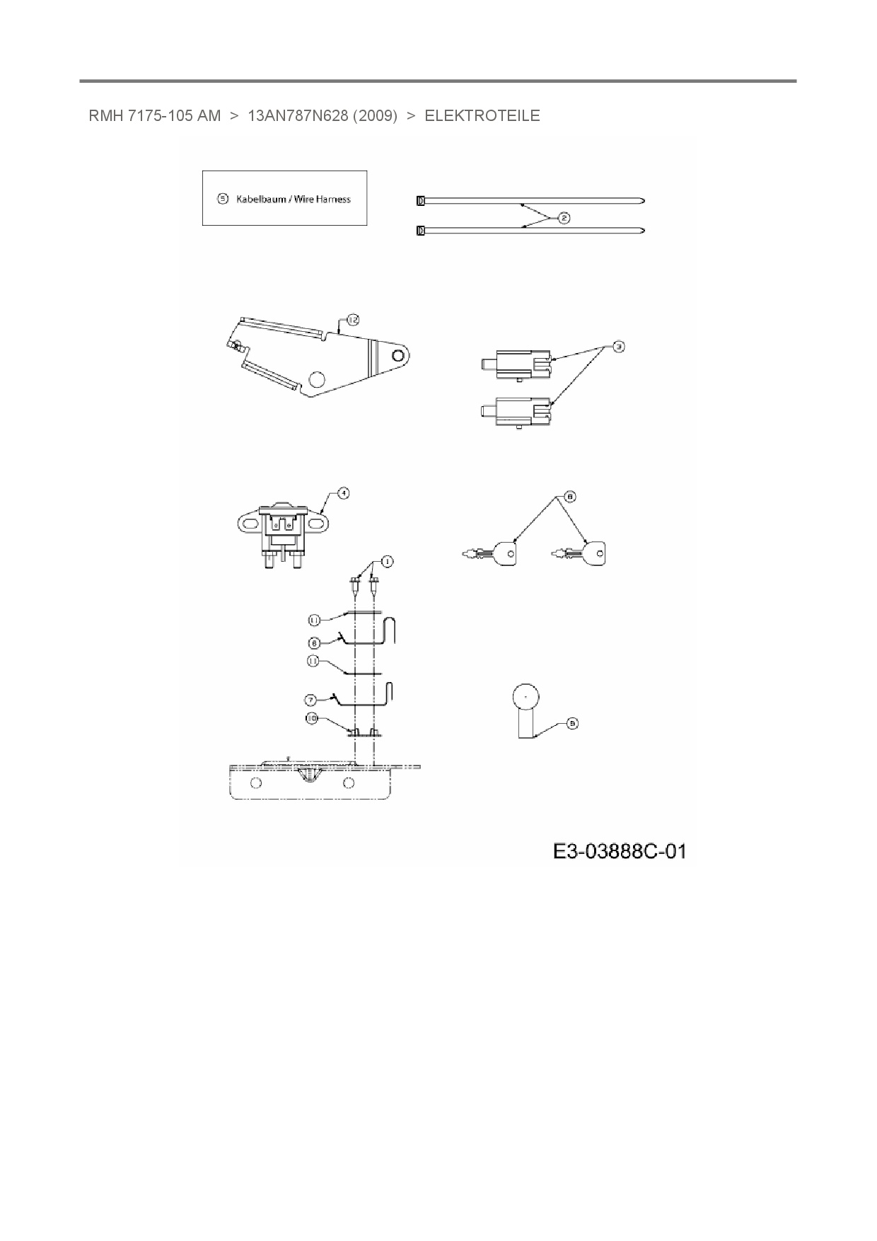
Elektroteile

Zeichnung für Raiffeisen Rasentraktor RMH 7175-105 AM mit der Geräte-Artikelnr. 13AN787N628 ab Baujahr 2009:

Zeichnung Elektroteile

Die Ersatzteil-Zeichnung für Rasentraktor Raiffeisen RMH 7175-105 AM als Download:
Download Ersatzteil-Zeichnung Raiffeisen RMH 7175-105 AM Zeichnung Elektroteile (PDF-Format)
Download Ersatzteil-Zeichnung Raiffeisen RMH 7175-105 AM Zeichnung Elektroteile (JPG-Format)

Sollten Sie Fragen zu einem Ersatzteil haben, können Sie uns gerne eine E-Mail (mit einem Foto vom Typenschild Ihres Gerätes) schreiben oder eine Ersatzteilanfrage stellen.

Ersatzteile für Rasentraktor Raiffeisen RMH 7175-105 AM aus der Zeichnung Elektroteile:
Artikel 1 - 10 von 10


Artikel 1 - 10 von 10