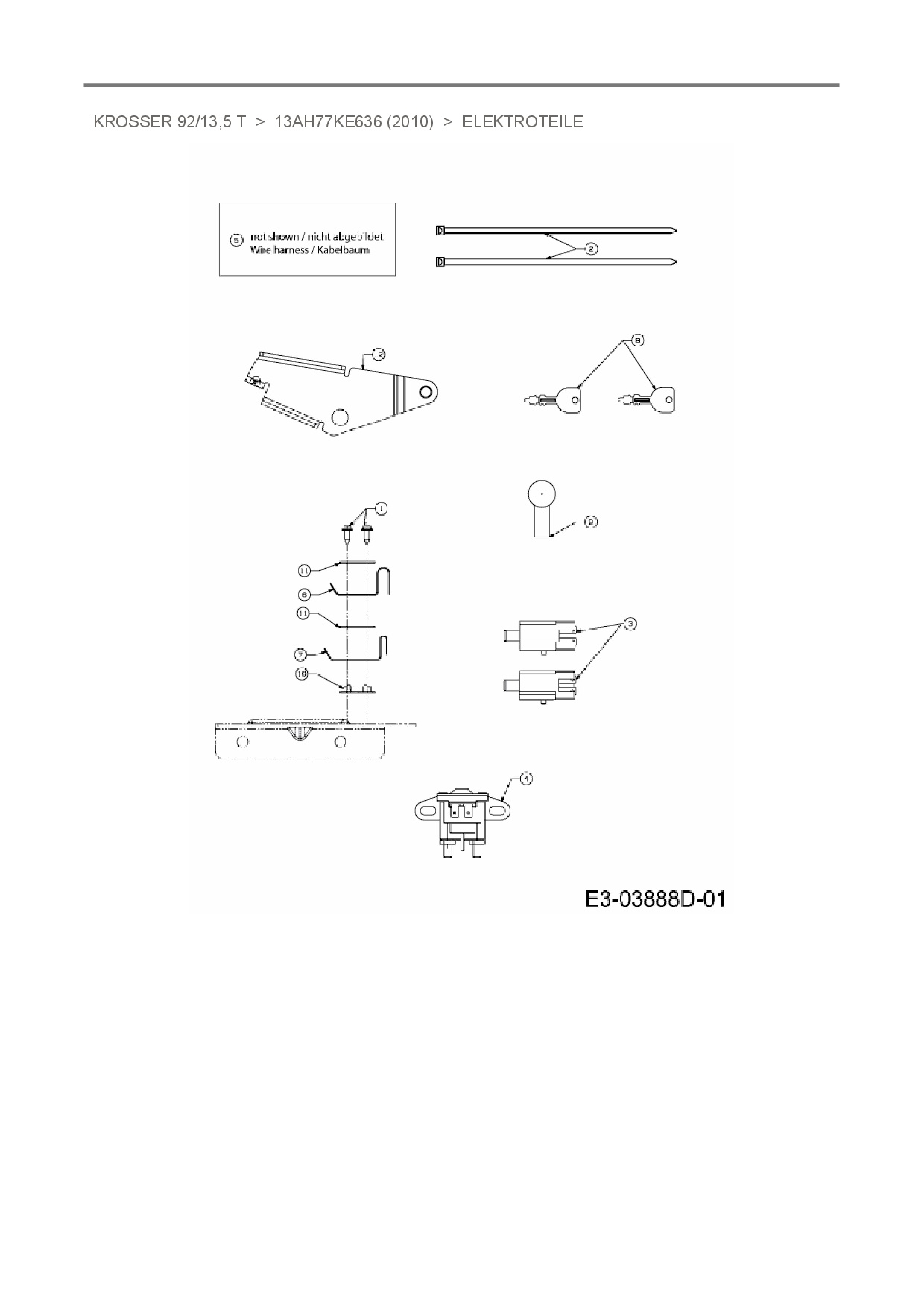
Elektroteile

Zeichnung für Oleo-Mac Rasentraktor Krosser 92/13,5 T mit der Geräte-Artikelnr. 13AH77KE636 ab Baujahr 2010:

Zeichnung Elektroteile

Die Ersatzteil-Zeichnung für Rasentraktor Oleo-Mac Krosser 92/13,5 T als Download:
Download Ersatzteil-Zeichnung Oleo-Mac Krosser 92/13,5 T Zeichnung Elektroteile (PDF-Format)
Download Ersatzteil-Zeichnung Oleo-Mac Krosser 92/13,5 T Zeichnung Elektroteile (JPG-Format)

Sollten Sie Fragen zu einem Ersatzteil haben, können Sie uns gerne eine E-Mail (mit einem Foto vom Typenschild Ihres Gerätes) schreiben oder eine Ersatzteilanfrage stellen.

Ersatzteile für Rasentraktor Oleo-Mac Krosser 92/13,5 T aus der Zeichnung Elektroteile:
Artikel 1 - 10 von 10


Artikel 1 - 10 von 10