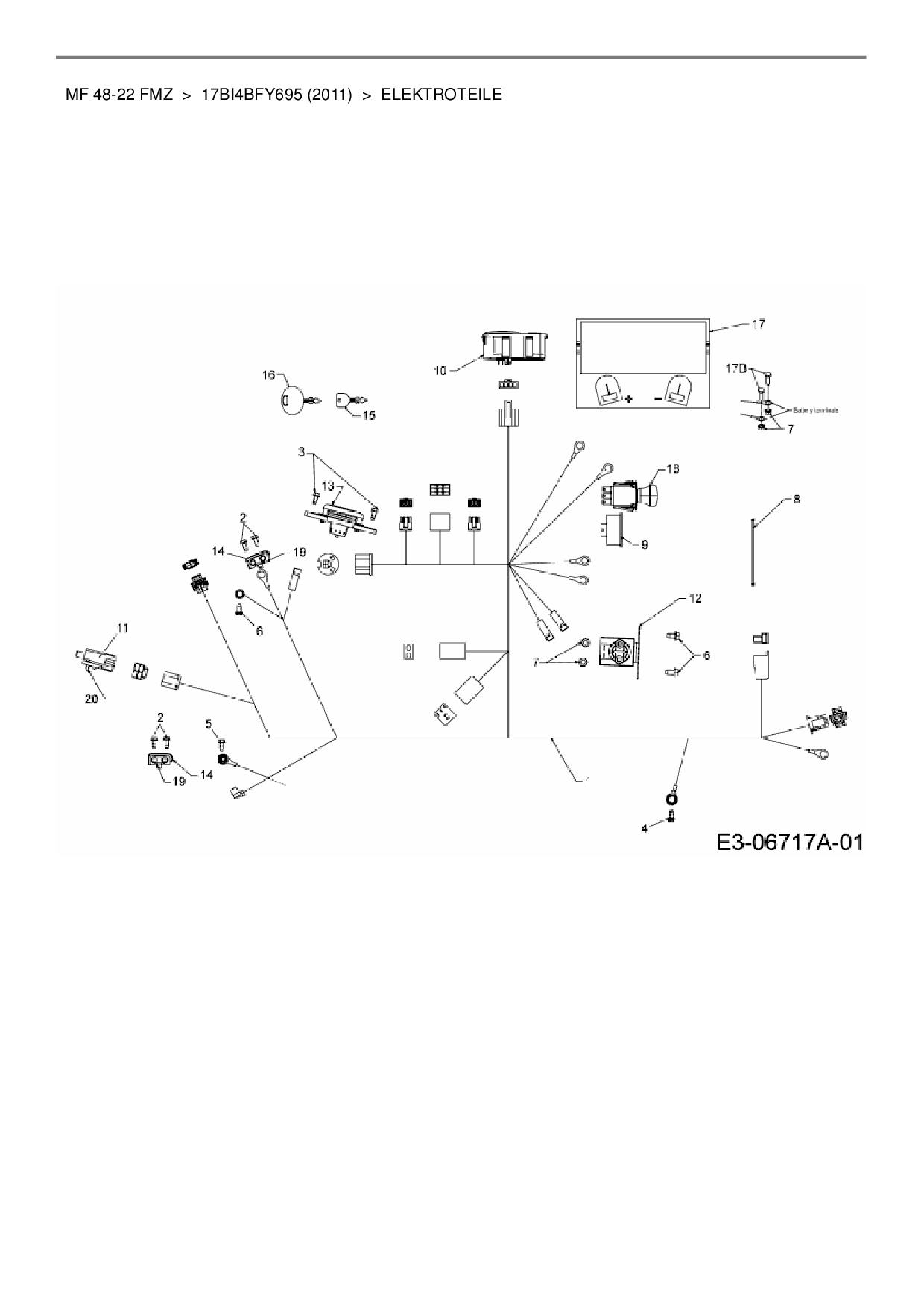
Elektroteile

Zeichnung für Massey Ferguson Zero Turn MF 48-22 FMZ mit der Geräte-Artikelnr. 17BI4BFY695 ab Baujahr 2011:

Zeichnung Elektroteile

Die Ersatzteil-Zeichnung für Zero Turn Massey Ferguson MF 48-22 FMZ als Download:
Download Ersatzteil-Zeichnung Massey Ferguson MF 48-22 FMZ Zeichnung Elektroteile (PDF-Format)
Download Ersatzteil-Zeichnung Massey Ferguson MF 48-22 FMZ Zeichnung Elektroteile (JPG-Format)

Sollten Sie Fragen zu einem Ersatzteil haben, können Sie uns gerne eine E-Mail (mit einem Foto vom Typenschild Ihres Gerätes) schreiben oder eine Ersatzteilanfrage stellen.

Ersatzteile für Zero Turn Massey Ferguson MF 48-22 FMZ aus der Zeichnung Elektroteile:
Artikel 1 - 19 von 19

10,66 € *
Lieferzeit: 2 - 10 Werktage
74,02 € *
Lieferzeit: 2 - 10 Werktage
4,88 € *
Lieferzeit: 2 - 10 Werktage

Artikel 1 - 19 von 19