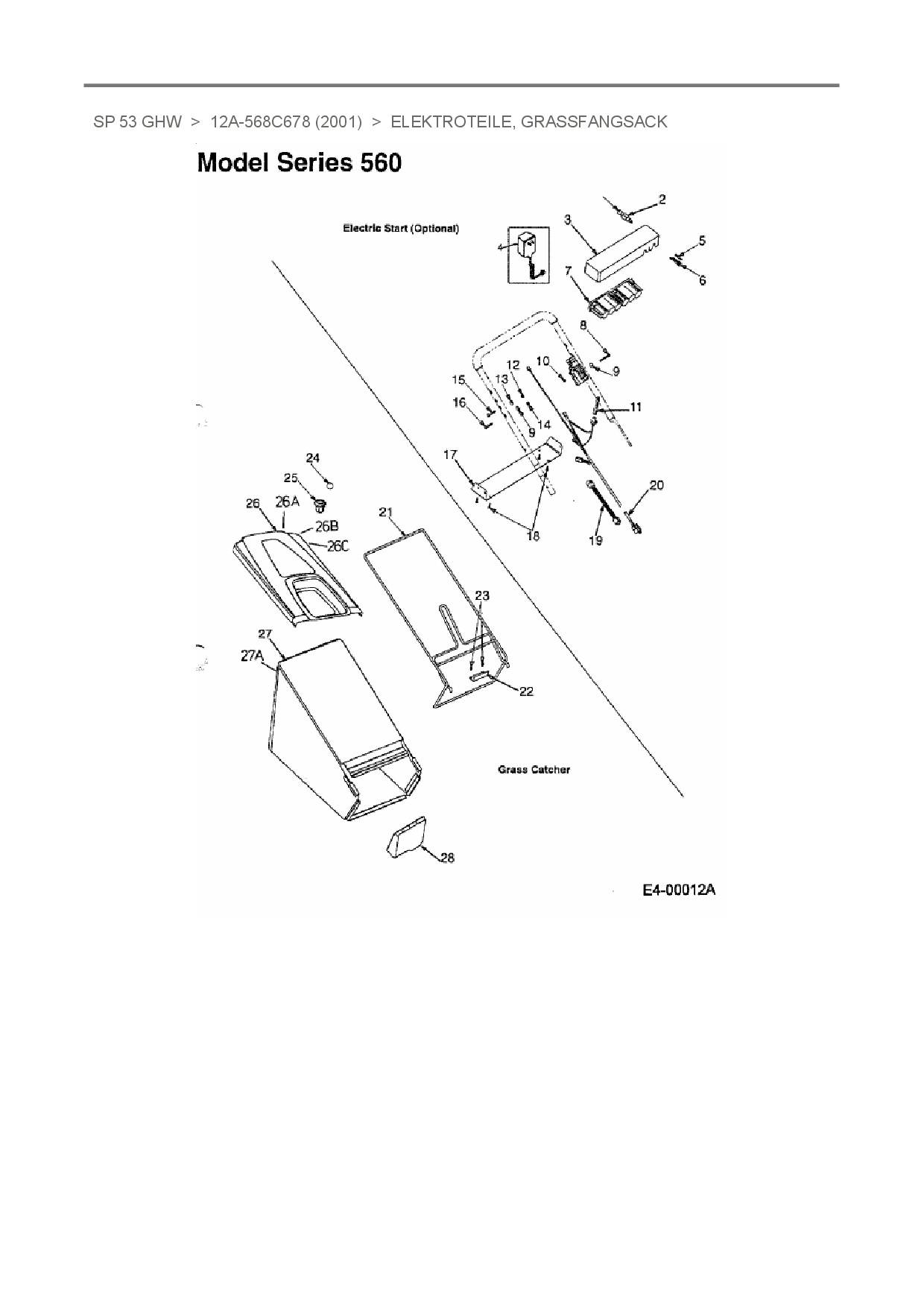
Elektroteile, Grassfangsack

Zeichnung für MTD Motormäher mit Antrieb SP 53 GHW mit der Geräte-Artikelnr. 12A-568C678 ab Baujahr 2001:

Zeichnung Elektroteile, Grassfangsack

Die Ersatzteil-Zeichnung für Motormäher mit Antrieb MTD SP 53 GHW als Download:
Download Ersatzteil-Zeichnung MTD SP 53 GHW Zeichnung Elektroteile, Grassfangsack (PDF-Format)
Download Ersatzteil-Zeichnung MTD SP 53 GHW Zeichnung Elektroteile, Grassfangsack (JPG-Format)

Sollten Sie Fragen zu einem Ersatzteil haben, können Sie uns gerne eine E-Mail (mit einem Foto vom Typenschild Ihres Gerätes) schreiben oder eine Ersatzteilanfrage stellen.

Ersatzteile für Motormäher mit Antrieb MTD SP 53 GHW aus der Zeichnung Elektroteile, Grassfangsack:
Artikel 1 - 10 von 16

8,60 € *
Lieferzeit: 2 - 10 Werktage
39,88 € *
Lieferzeit: 2 - 10 Werktage
20,88 € *
Lieferzeit: 2 - 10 Werktage
146,72 € *
Lieferzeit: 2 - 10 Werktage
6,88 € *
Lieferzeit: 2 - 10 Werktage
5,88 € *
Lieferzeit: 2 - 10 Werktage

Artikel 1 - 10 von 16