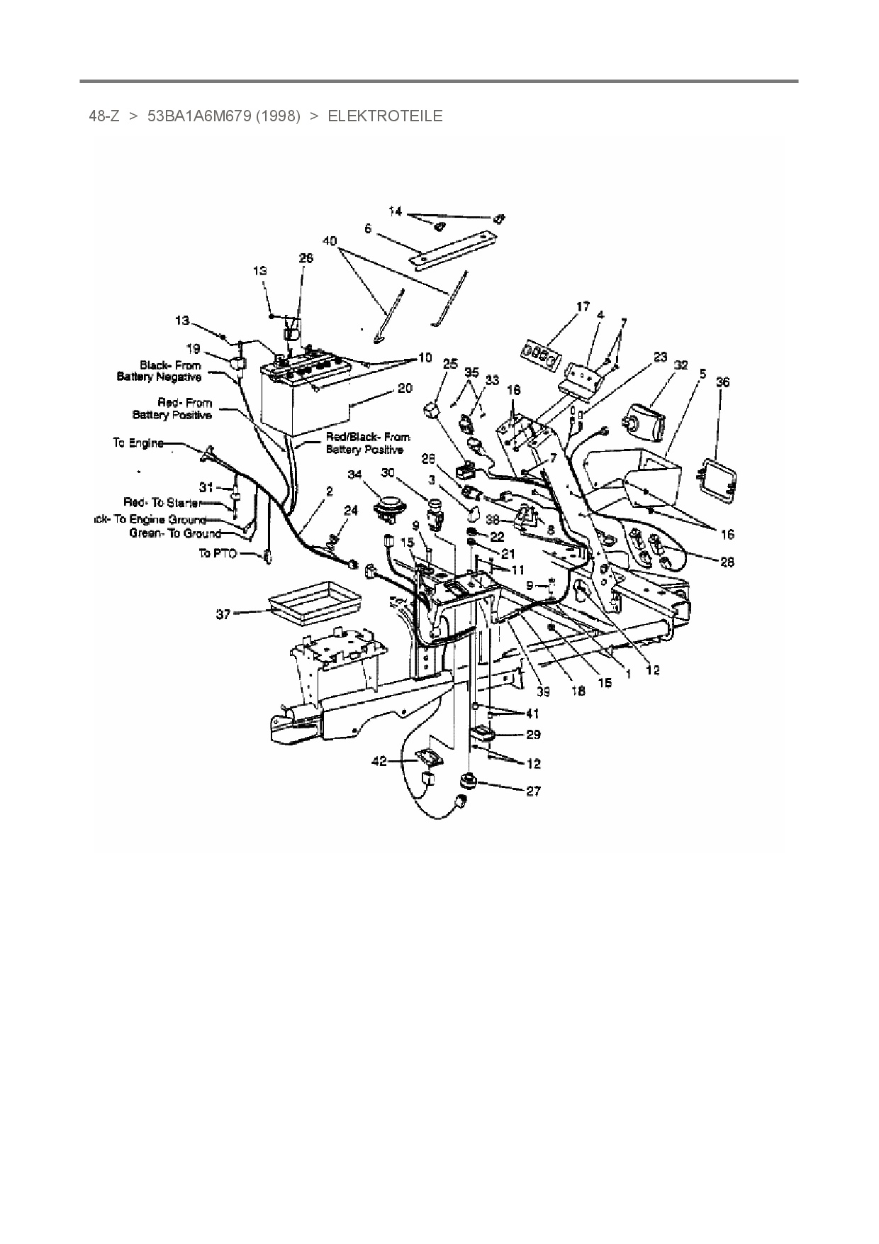
Elektroteile (1)

Zeichnung für White Zero Turn 48-Z mit der Geräte-Artikelnr. 53BA1A6M679 ab Baujahr 1998:

Zeichnung Elektroteile (1)

Die Ersatzteil-Zeichnung für Zero Turn White 48-Z als Download:
Download Ersatzteil-Zeichnung White 48-Z Zeichnung Elektroteile (1) (PDF-Format)
Download Ersatzteil-Zeichnung White 48-Z Zeichnung Elektroteile (1) (JPG-Format)

Sollten Sie Fragen zu einem Ersatzteil haben, können Sie uns gerne eine E-Mail (mit einem Foto vom Typenschild Ihres Gerätes) schreiben oder eine Ersatzteilanfrage stellen.

Ersatzteile für Zero Turn White 48-Z aus der Zeichnung Elektroteile (1):
Artikel 1 - 10 von 20

8,60 € *
Lieferzeit: 2 - 10 Werktage
5,88 € *
Lieferzeit: 2 - 10 Werktage
7,88 € *
Lieferzeit: 2 - 10 Werktage
8,88 € *
Lieferzeit: 2 - 10 Werktage
5,88 € *
Lieferzeit: 2 - 10 Werktage
7,88 € *
Lieferzeit: 2 - 10 Werktage
5,88 € *
Lieferzeit: 2 - 10 Werktage
6,88 € *
Lieferzeit: 2 - 10 Werktage
5,88 € *
Lieferzeit: 2 - 10 Werktage
4,88 € *
Lieferzeit: 2 - 10 Werktage

Artikel 1 - 10 von 20